八零图社
首页
最新
热门
排行
首页
最新
热门
排行
自然风光
动漫卡通
美食摄影
科技数码
人物写真
创意设计
壁纸背景
游戏原画
首页
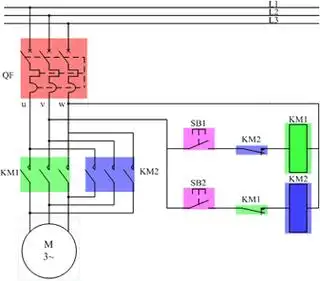
点动控制电路图互锁
图片详情
电工机 - 热门商品专区
0
浏览
0
喜欢
2268x1113
尺寸
2026-03-12 15:25:33
上传
查看原图
下载图片
图片链接
缩略图
原图
外链
专题
点动控制电路图互锁
相关图片
电动机正转点动加连续 反转连续机械互锁电路图
0
0
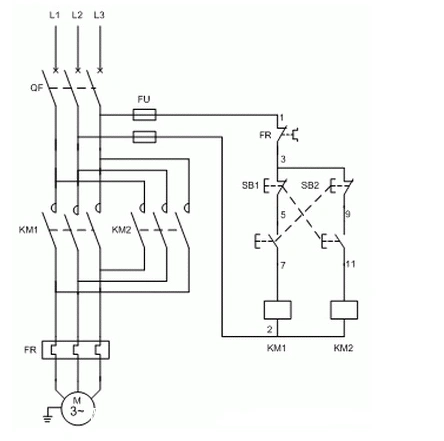
点动控制电路原理图
0
0
所谓互锁电路是指控制电路中两个或两个以上控制回路之间的相互制约.
0
0
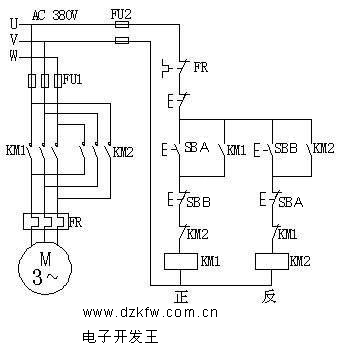
电动机正反转点动接触器互锁电路
0
0
电动机正反转双重互锁点动控制线路
0
0
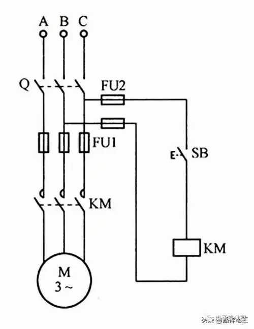
电动机点动控制及互锁
0
0
点动控制,自锁控制和互锁控制电路的工作原理-电子发烧友网
0
0
电气互锁控制电路图
0
0
电动机常见的点动电路和自锁电路 - 工业控制 - 电子发烧友网
0
0
互锁电路图
0
0
点动按钮,接触器双重连锁正反转控制线路电路图和工作原理是什么
0
0
电机正反转点动互锁多数用于不适合自锁的电路.
0
0
随机推荐
中国清代铜鎏金六臂观音佛造像
0
0
蓝色星空旋涡
0
0
孩子走路老被自己绊倒内八字儿童骨科医生告诉你怎么回事
0
0
未来世界景色高清壁纸
0
0
medaigual春秋百搭潮牌街头净版字母印花套头卫衣男卫衣
0
0
ide硬盘怎么设置跳线
0
0
经常熬夜的人,是猝死的高发人群
0
0
绿色护眼自然风光图片电脑壁纸高清大图预览1920x1080_风景壁纸下载
0
0
原创李丽芬爱江山更爱美人当年到底有多火幕后争抢的故事也精彩
0
0
盐系少年感78日系短发96可甜可盐还减龄 显脸小!佛山短发发型
0
0
沙盘模型中景观绿化设计的重要性
0
0
温州军分区党委召开十二届八次全体(扩大)会议_腾讯新闻
0
0