八零图社
首页
最新
热门
排行
首页
最新
热门
排行
自然风光
动漫卡通
美食摄影
科技数码
人物写真
创意设计
壁纸背景
游戏原画
首页
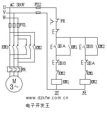
点动控制电路图互锁
图片详情
互锁电路图
0
浏览
0
喜欢
342x364
尺寸
2026-03-12 15:25:32
上传
查看原图
下载图片
图片链接
缩略图
原图
外链
专题
点动控制电路图互锁
相关图片
互锁电路原理图,电路基础知识,电工必备基础电路
0
0
电气互锁控制电动机
0
0
电动机正转点动加连续 反转连续机械互锁电路图
0
0
点动控制电路原理图
0
0
所谓互锁电路是指控制电路中两个或两个以上控制回路之间的相互制约.
0
0
电动机正反转点动接触器互锁电路
0
0
电动机点动控制及互锁
0
0
点动控制,自锁控制和互锁控制电路的工作原理-电子发烧友网
0
0
点动按钮,接触器双重连锁正反转控制线路电路图和工作原理是什么
0
0
电机正反转点动互锁多数用于不适合自锁的电路.
0
0
电工机 - 热门商品专区
0
0
3,零基础学电工-点动与连续运转控制电路(一)(电路与仿真图)
0
0
随机推荐
csgo知名主播茄子入驻斗鱼,曾因一张图片爆火全网!
0
0
1953年茅台酒如何鉴定
0
0
影视表演艺考精选台词独白之杜十娘片段
0
0
从另一角度去看甄嬛传里的沈眉庄和余莺儿
0
0
能带来好运的微信头像手绘图片人生多好啊从未虚度
0
0
"这绝对是米伽最疯狂的时刻"终结的炽天使 第二十集
0
0
西安市logo品牌设计
0
0
墨西哥科利马火山喷发自带闪电 画面极具震撼
0
0
剪一些我很喜欢的into1全员镜头[into the fire]
0
0
首页 头像 qq个性头像
0
0
没错我就是你们的宝贝老板
0
0
原创应采儿基因终于赢了幼子完美继承妈妈美貌留长发被当成女儿养
0
0