八零图社
首页
最新
热门
排行
首页
最新
热门
排行
自然风光
动漫卡通
美食摄影
科技数码
人物写真
创意设计
壁纸背景
游戏原画
首页
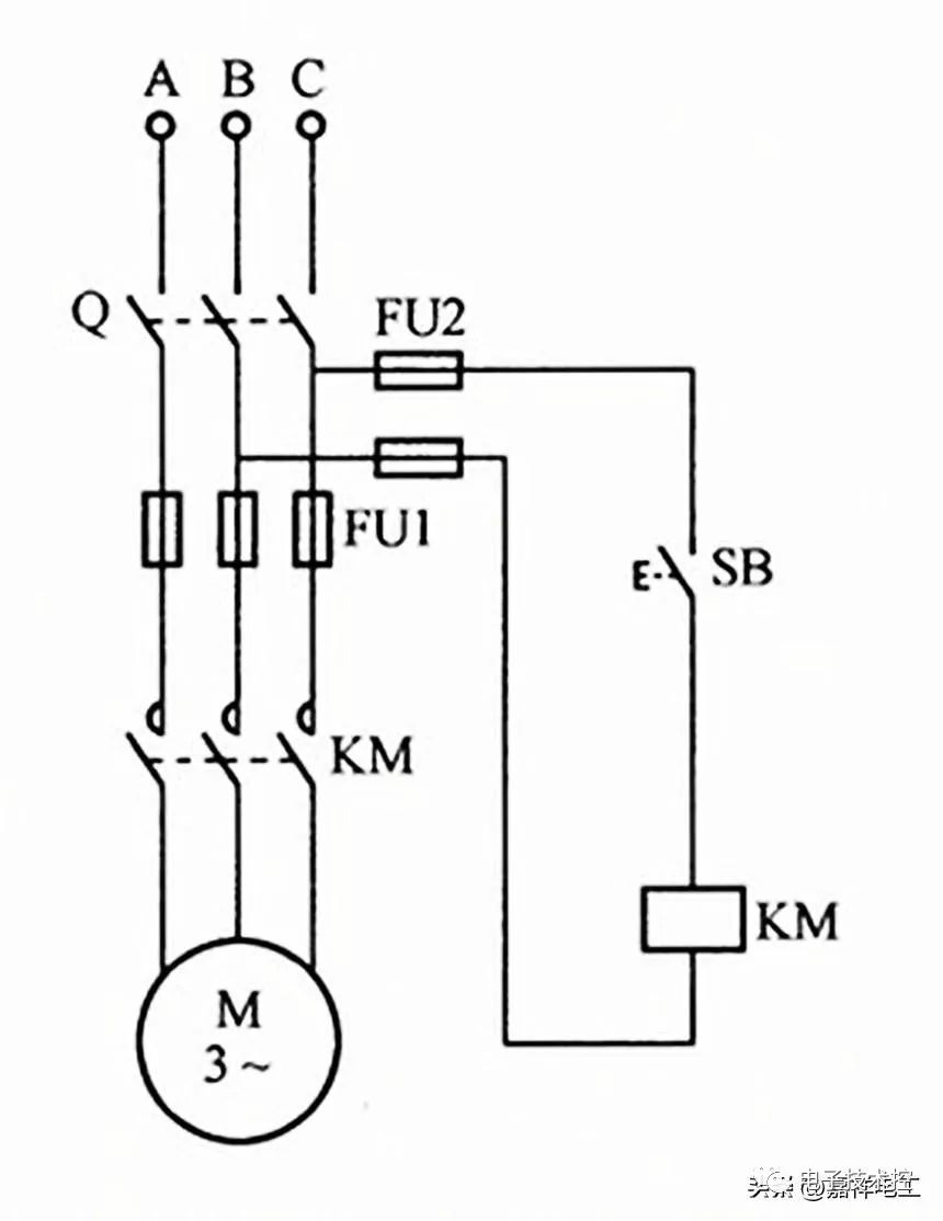
点动控制电路图互锁
图片详情
电动机常见的点动电路和自锁电路 - 工业控制 - 电子发烧友网
0
浏览
0
喜欢
860x1114
尺寸
2026-03-12 15:25:32
上传
查看原图
下载图片
图片链接
缩略图
原图
外链
专题
点动控制电路图互锁
相关图片
电工三把锁之互锁 电路控制
0
0
互锁电路原理图,电路基础知识,电工必备基础电路
0
0
电气互锁控制电动机
0
0
经典电路-电动机点动控制线路介绍
0
0
点动控制电路原理图
0
0
所谓互锁电路是指控制电路中两个或两个以上控制回路之间的相互制约.
0
0
电动机正反转点动接触器互锁电路
0
0
电动机点动控制及互锁
0
0
电气互锁控制电路图
0
0
互锁电路图
0
0
点动按钮,接触器双重连锁正反转控制线路电路图和工作原理是什么
0
0
电机正反转点动互锁多数用于不适合自锁的电路.
0
0
随机推荐
小牛电动车写生
0
0
男生自然短碎发发型,衬托得特别的时尚
0
0
漂亮温馨的早上好问候祝福图片精选微信最美的早上好祝福语
0
0
男性的生育年龄最晚能到几岁?一张图给你答案,别低估了自己
0
0
权志龙全屏壁纸,会有一张你中意的,帅气的权志龙!权志龙
0
0
日漫头像
0
0
2632 清乾隆 哥釉双耳三足炉
0
0
唐代卷草纹广泛流行,多取牡丹的枝叶,采用曲卷多 - 抖音
0
0
伤痕累累的爱心
0
0
芝杜uhd3000顶级4khi-fi播放器震撼上市 - 哔哩哔哩
0
0
在自己的社交媒体上曾晒出了一张全家福,许久不曾露脸的杨采妮乍一看
0
0
五十岁女人适合直发还是烫发避开三个雷区直发减龄卷发更洋气
0
0