八零图社
首页
最新
热门
排行
首页
最新
热门
排行
自然风光
动漫卡通
美食摄影
科技数码
人物写真
创意设计
壁纸背景
游戏原画
首页
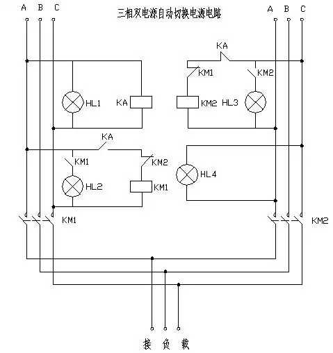
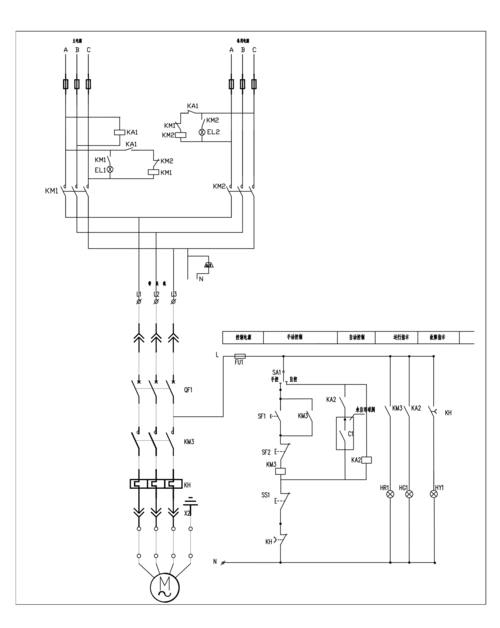
双电源自动切换接线图
图片详情
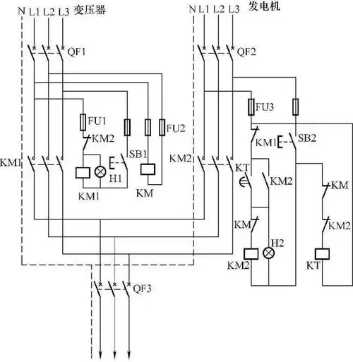
电路分享:三电源切换电路,双电源切换电路-kia mos管
0
浏览
0
喜欢
479x508
尺寸
2026-03-13 09:38:12
上传
查看原图
下载图片
图片链接
缩略图
原图
外链
专题
双电源自动切换接线图
相关图片
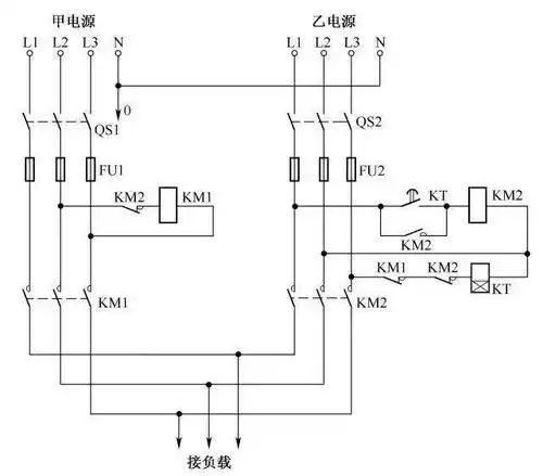
双电源自动切换电路
0
0
双路电源自动投切电路原理
0
0
双路电源自动投切电路原理
0
0
双电源自动切换电路的识读方法
0
0
双路电源自动投切供电电路一
0
0
双电源自动转换开关接线原理图说明.doc
0
0
交流接触器实现双电源自动转换 - 渴望和谐 - 渴望和谐
0
0
双路电源自动投切供电电路二
0
0
双电源自动切换浮球控制污水泵控制回路
0
0
dtq6系列双电源自动转换开关
0
0
[分享]双电源自动切换开关图资料免费下载
0
0
一种双电机自动切换控制电路制造技术,双电源自动切换电路图专利_技高
0
0
随机推荐
活动作品奈亚子的被爱日常
0
0
香蜜湖公园的玫瑰 写美篇宅在家里的日子里,想起了以前手机拍的照片
0
0
秋季爆款初恋减龄锁骨发60款
0
0
甄子丹金城武汤唯 演绎《武侠》"甄唯武"
0
0
环太平洋 2013
0
0
剑灵南素柔
0
0
春季的法式刘海发型太火了减龄又显脸小换上让你变美
0
0
清爽活泼风格2009年日历模板psd
0
0
《九品芝麻官》除了搞笑,你还看到了什么?-千筹网
0
0
【邪不压正】你们最期待的彭于晏终于要来了!_手机搜狐网
0
0
李白韩信
0
0
b站重刷金粉世家董洁那时候真好看
0
0