八零图社
首页
最新
热门
排行
首页
最新
热门
排行
自然风光
动漫卡通
美食摄影
科技数码
人物写真
创意设计
壁纸背景
游戏原画
首页
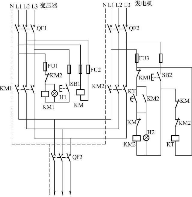
双电源自动切换接线图
图片详情
双电源自动切换电路的识读方法
0
浏览
0
喜欢
640x656
尺寸
2026-03-13 09:38:07
上传
查看原图
下载图片
图片链接
缩略图
原图
外链
专题
双电源自动切换接线图
相关图片
双路电源自动投切电路原理
0
0
图8-20 双电源自动切换电路
0
0
双路电源自动投切供电电路一
0
0
双电源自动切换装置主回路接线示意图
0
0
交流接触器实现双电源自动转换 - 渴望和谐 - 渴望和谐
0
0
双电源自动切换原理图
0
0
双路电源自动投切供电电路二
0
0
双电源自动切换浮球控制污水泵控制回路
0
0
电路分享:三电源切换电路,双电源切换电路-kia mos管
0
0
一种双电机自动切换控制电路制造技术,双电源自动切换电路图专利_技高
0
0
一种铁路信号电源系统双电源切换电路技术方案
0
0
双电源自动切换接线图和操作步骤
0
0
随机推荐
新生代演员刘耀文#lyw#刘耀文 张艺谋电影#不知道真假诶 大家非官
0
0
裂叶荆芥图片裂叶荆芥野菜图片
0
0
世界各国钱币纸币一套52张
0
0
叶问2宗师传奇ost
0
0
王雷李小萌婚纱照无惧时光的匆忙
0
0
樊少皇版虚竹
0
0
标准全身职业照半身形象照证件照一次搞定!
0
0
论刘宇和一些表情包的可爱适配度
0
0
甲骨文.小篆.楷书.隶书.草书.行书怎么写?
0
0
《爸爸去哪儿》第二季刘畅起底 妻子吴子佳曝光(图)
0
0
励志图片带字霸气霸气犀利高考励志正能量图片句子
0
0
俄罗斯缅因猫烟灰男孩可预定
0
0