八零图社
首页
最新
热门
排行
首页
最新
热门
排行
自然风光
动漫卡通
美食摄影
科技数码
人物写真
创意设计
壁纸背景
游戏原画
首页
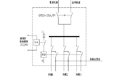
双电源自动切换接线图
图片详情
双电源自动转换开关接线原理图说明.doc
0
浏览
0
喜欢
893x578
尺寸
2026-03-13 09:38:08
上传
查看原图
下载图片
图片链接
缩略图
原图
外链
专题
双电源自动切换接线图
相关图片
双路电源自动投切电路原理
0
0
双路电源自动投切电路原理
0
0
双路电源自动投切供电电路一
0
0
双电源自动切换装置主回路接线示意图
0
0
交流接触器实现双电源自动转换 - 渴望和谐 - 渴望和谐
0
0
双电源自动切换原理接线图cad图纸
0
0
双电源自动切换浮球控制污水泵控制回路
0
0
无锡韩光cb级32100whkn系列双电源自动转换开关
0
0
[分享]双电源自动切换开关图资料免费下载
0
0
电路分享:三电源切换电路,双电源切换电路-kia mos管
0
0
一种双电机自动切换控制电路制造技术,双电源自动切换电路图专利_技高
0
0
一种铁路信号电源系统双电源切换电路技术方案
0
0
随机推荐
木制工艺品森林小鹿桌面摆件木质自由插片创意场景布置儿童拼图
0
0
菊花切花
0
0
李小龙被飞踹暴揍教做人美国人的新戏真敢演
0
0
多愁善感の双鱼座75
0
0
郑爽古装造型照片释出 美出新高度 淡雅不失惊艳
0
0
2022北京冬奥会标志logoai及cdr和psd矢量文件下载
0
0
夏季超火的"冷茶色"发型,适合黄皮肤的女生,十分显白!
0
0
我的小尾巴第二季心儿为何哭闹找妈妈王睿涵手足无措稳住
0
0
长卷发.高大上背影女头像by:李倩
0
0
佣医##第五人格
0
0
马龙巴黎奥运会加油##马龙打球 赏心悦目##巴黎奥运会
0
0
这种发型不仅适合夏天,让人感觉凉爽舒适;同时也能够展现出男士的时尚
0
0