八零图社
首页
最新
热门
排行
首页
最新
热门
排行
自然风光
动漫卡通
美食摄影
科技数码
人物写真
创意设计
壁纸背景
游戏原画
首页
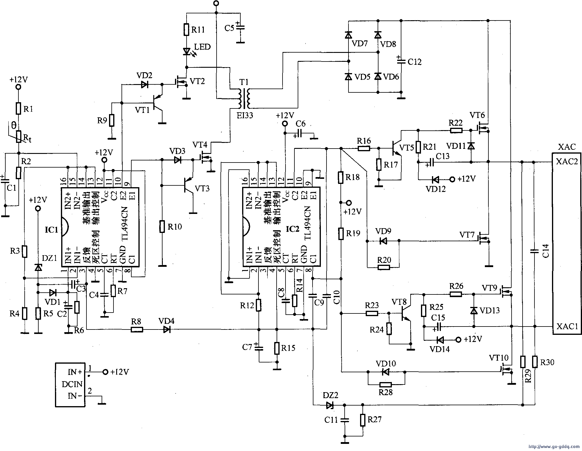
12v高频逆变器电路图
图片详情
首页 技术资料 电路图 光电电路 150w的12v/220v车载逆变电源
0
浏览
0
喜欢
1959x1518
尺寸
2026-03-13 09:25:04
上传
查看原图
下载图片
图片链接
缩略图
原图
外链
专题
12v高频逆变器电路图
相关图片
12v转交流110v 200w逆变器原理图.doc
0
0
逆变器电路图大全之一
0
0
12v逆变器电路图
0
0
逆变器电路
0
0
12v1500w正弦波逆变器全套资料 包括电原理图,pcb文件,元器件清单等
0
0
逆变器电路图大全之二
0
0
逆变电源电路大全(电鱼机)
0
0
1000w正弦波逆变器直流12v转交流220v电路图
0
0
一款常见车载逆变器电路及原理
0
0
逆变器电路15
0
0
逆变器电路10
0
0
200w逆变器电路图
0
0
随机推荐
过气男歌手苏醒,曾经绯闻满天飞,现在居然晋升为了爸爸?
0
0
p>金兰村隶属于 a href="#" data-lemmaid="4404684">程海镇 /a>河口
0
0
打油诗《人生四十》四十不惑吟人生,仍有不解在心中
0
0
兄弟头像动漫三人冷酷萌黑白(兄弟动漫头像冷酷帅气二人三张)
0
0
孙鹏滨
0
0
开单表情包
0
0
切块水果
0
0
1999朵香水百合花束生日上海北京广州深圳鲜花速递南京苏州同城
0
0
来盘点一下娱乐圈的寸头帅哥,谁的寸头更帅?
0
0
2021超短发型图片女减龄 时尚减龄美得不动声色
0
0
超可爱的女生真人背影头像图集: 我把我青春最好的时光付诸给你
0
0
今天出现这个样子的白带,是不是快了,有图慎入
0
0