八零图社
首页
最新
热门
排行
首页
最新
热门
排行
自然风光
动漫卡通
美食摄影
科技数码
人物写真
创意设计
壁纸背景
游戏原画
首页
周迅少女
图片详情
周迅
0
浏览
0
喜欢
1000x1000
尺寸
2026-03-13 09:11:45
上传
查看原图
下载图片
图片链接
缩略图
原图
外链
专题
周迅少女
相关图片
"清纯少女"周迅,离婚被传与男闺蜜有染,十位男友究竟爱谁?
0
0
周迅,时尚优雅型美女
0
0
4.周迅:消失的少女感
0
0
周迅:从羞涩少女到崭露头角的成名之路,真励志
0
0
回顾周迅万花丛中过片叶不沾身如今还是精灵少女模样
0
0
周迅天生自带故事感,一个眼神就是一场戏的倔强"精灵少女"
0
0
周迅天生自带故事感,一个眼神就是一场戏的倔强"精灵少女"
0
0
周迅当时26岁,演16岁的太平公主毫无违和之处,一颦一笑都是灵动,是我
0
0
头像分享周迅少女时代绝美
0
0
小鹿般的眼睛,世间怎么会有这么灵动的人儿啊 #周迅 #灵气少女 #盛世
0
0
原创周迅少女时被潘鸿海看中留下26幅画有一幅卖了187万高价
0
0
头像分享周迅少女时代绝美
0
0
随机推荐
瞅准新方向,共谱产业发展新篇章——白沙镇小王村谋划中药材种植产业
0
0
高达bf/bd hgbd 异端高达无名
0
0
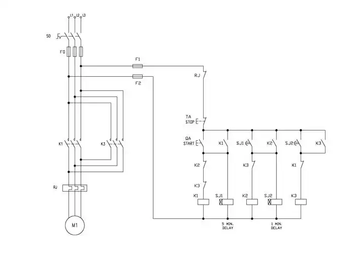
电动机时间继电器控制原理图
0
0
小女孩扎发大全 俏皮可爱扎法简单_儿童发型 - 美发站
0
0
靠着特制工具 与他人进行赌博 从此化身"赌神"只赢不输
0
0
iu头像李知恩
0
0
东京奥运会上的中国红,才是火爆的2021夏季流行色 - 中国红标准色
0
0
韩雪曝光丈夫身份背景深厚鲜为人知难怪大18岁都要嫁
0
0
悲伤伤心哭泣的人图片-人物壁纸 - 壁纸家
0
0
没有他,就没有今天的朱军
0
0
五条悟#
0
0
c罗式野蛮生长!萨拉赫把赘肉练成6块腹肌,惊人对比照,太强了
0
0