八零图社
首页
最新
热门
排行
首页
最新
热门
排行
自然风光
动漫卡通
美食摄影
科技数码
人物写真
创意设计
壁纸背景
游戏原画
首页
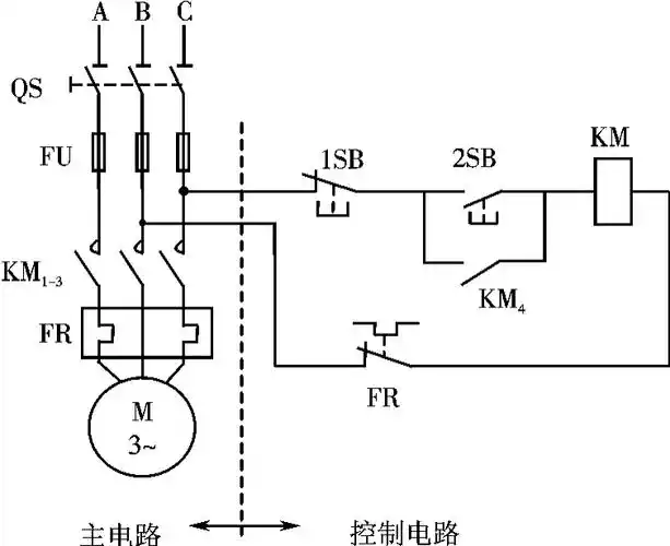
继电器控制电路原理图
图片详情
电动机时间继电器控制原理图
0
浏览
0
喜欢
2339x1654
尺寸
2026-03-12 15:28:19
上传
查看原图
下载图片
图片链接
缩略图
原图
外链
专题
继电器控制电路原理图
相关图片
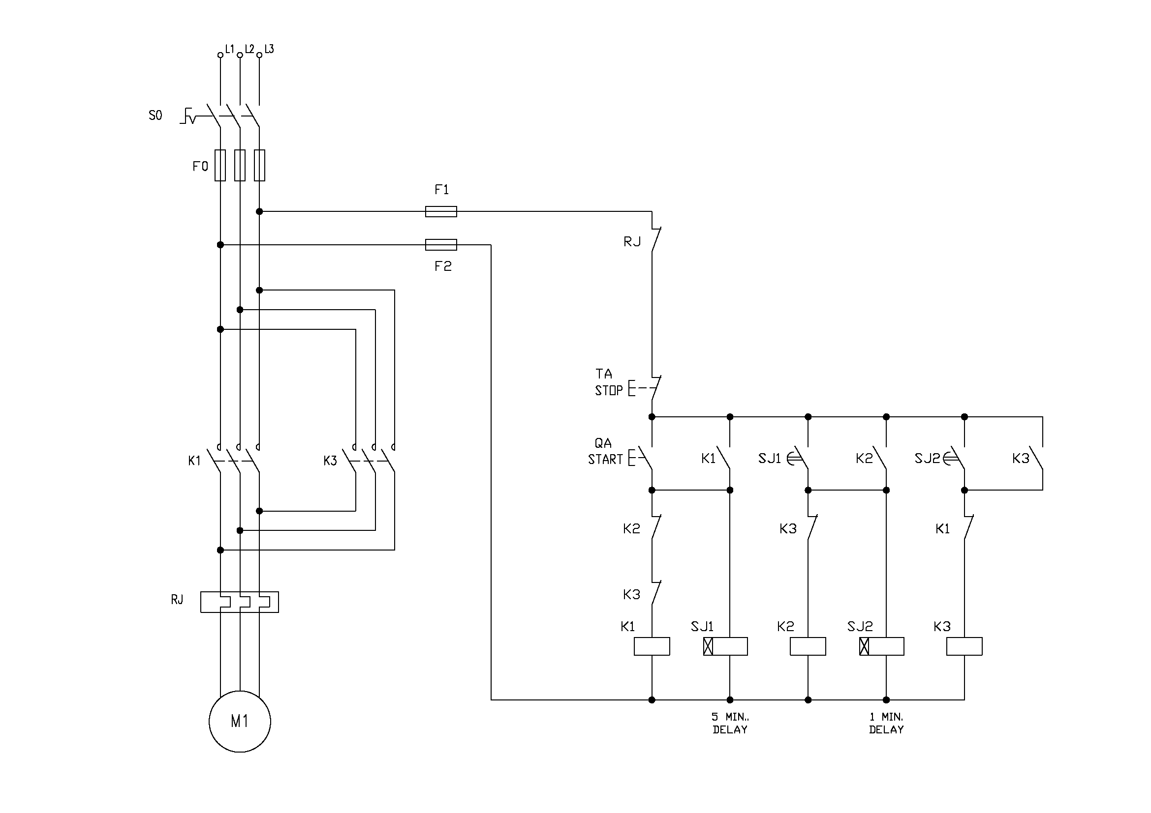
时间继电器控制的星三角降压启动电路原理图
0
0
两个时间继电器控制负载交替循环运行实际电路与原理图
0
0
继电器原理图
0
0
简单继电—接触控制电路
0
0
中间继电器时,应注意线圈的电流类型和电压水平应与控制电路相匹配
0
0
简单继电—接触控制电路
0
0
继电器如何选型?
0
0
这样输入电流不是太大了,会不会继电器线圈烧坏,但实际电路就是这样
0
0
继电器的触点就是一个开关,可控制交流或直流电路的负载.
0
0
水位控制电路jyb-714(改进)
0
0
继电器的作用和功能 (继电器原理 )
0
0
如图是电磁继电器的结构示意图,其工作电路由低压控制电路和高压工作
0
0
随机推荐
个性潮牌手机壁纸,超清锁屏,全面屏壁纸
0
0
(3)而"如花"抠鼻孔的招牌动作,最开始是出自于《武状元苏乞儿》,他在
0
0
可爱小女孩头像
0
0
乐高海盗船moc-商用单桅帆船快速拼搭
0
0
回顾43岁的姚明体重超400斤妻子风韵犹存13岁女儿身高近19米
0
0
一,向华强&萧敬腾
0
0
玉林房间门价格 优质木门批发 拉丝银炫彩灰色房间木门厂
0
0
他是成龙电影《宝贝计划》中的宝宝,现在14岁了,颜值越来越高
0
0
隔膜泵工作原理及结构特点
0
0
拔萝卜
0
0
李元芳
0
0
jdm动漫眼睛二次元少女眼神贴纸 电动车摩托电脑机箱装饰个性贴画
0
0