八零图社
首页
最新
热门
排行
首页
最新
热门
排行
自然风光
动漫卡通
美食摄影
科技数码
人物写真
创意设计
壁纸背景
游戏原画
首页
十个基本电路图
图片详情
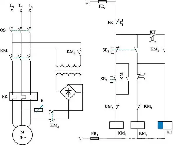
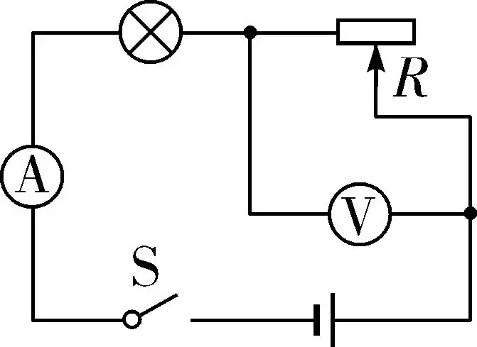
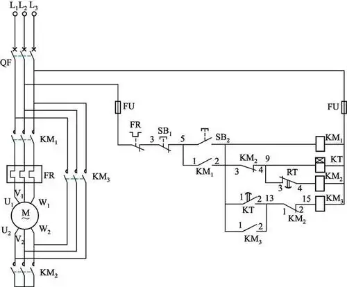
零基础学电工,先要学会这些最基本的电路图
0
浏览
0
喜欢
640x480
尺寸
2026-03-12 15:27:29
上传
查看原图
下载图片
图片链接
缩略图
原图
外链
专题
十个基本电路图
相关图片
我是小豆:如何看懂电路图,11个经典电路图实物讲解
0
0
实例分析,如何看懂电气基本控制电路图
0
0
实例分析,如何看懂电气基本控制电路图
0
0
[分享]7张常见电路图,全都能看懂的算你厉害!
0
0
电路图看不懂?
0
0
简单的混联电路图,初中基本电路图,混联电路图分析,混联电路图怎么画
0
0
谁能给我个分力原件的简单的音箱电路图啊
0
0
实例分析,如何看懂电气基本控制电路图
0
0
8分如图所示电路电源电压为6v灯l的电阻为10Ω不变滑动变阻器r的最大
0
0
运算放大器基本电路——11个经典电路.pdf
0
0
基本同相运算放大器电路图
0
0
模拟电路
0
0
随机推荐
德国纳粹的标志"卐"有着什么样子的秘密?
0
0
乐嘉戴假发搞笑 撞脸陈思诚被调侃丑美
0
0
6月29日周四早上好周四早安祝福图片带早上好问候语新的一天吉祥如意
0
0
邦臣小红花·宝宝涂色:2-3岁(提高篇)
0
0
中国9899最美的女明星82排行榜
0
0
南垭村一一金色稻田
0
0
吴京是"暴力男"?谢楠回应被劝离婚
0
0
适合上班族和学生党的低调美甲
0
0
星蝶公主 动漫女头
0
0
金陵十三钗:十三位风尘女子的悲壮事迹!_哔哩哔哩_bilibili
0
0
"彪悍"的张雨绮,4段感情2段婚姻,每一段都不体面
0
0
超酷帅气的口罩控男生头像图片
0
0