八零图社
首页
最新
热门
排行
首页
最新
热门
排行
自然风光
动漫卡通
美食摄影
科技数码
人物写真
创意设计
壁纸背景
游戏原画
首页
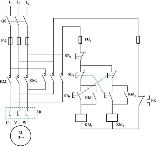
十个基本电路图
图片详情
8分如图所示电路电源电压为6v灯l的电阻为10Ω不变滑动变阻器r的最大
0
浏览
0
喜欢
671x489
尺寸
2026-03-12 15:27:29
上传
查看原图
下载图片
图片链接
缩略图
原图
外链
专题
十个基本电路图
相关图片
我是小豆:如何看懂电路图,11个经典电路图实物讲解
0
0
实例分析,如何看懂电气基本控制电路图
0
0
实例分析,如何看懂电气基本控制电路图
0
0
零基础学电工,先要学会这些最基本的电路图
0
0
[分享]7张常见电路图,全都能看懂的算你厉害!
0
0
电路图看不懂?
0
0
简单的混联电路图,初中基本电路图,混联电路图分析,混联电路图怎么画
0
0
实例分析,如何看懂电气基本控制电路图
0
0
晶体二极管-电容十倍升压电路图
0
0
运算放大器基本电路——11个经典电路.pdf
0
0
谁知道lm324的放大电路怎么做?
0
0
模拟电路
0
0
随机推荐
也太甜了吧94 #允翡夫妇 #赵丽颖王一博 #运费夫妇 就 - 抖音
0
0
十二星座最佳闺蜜组合
0
0
朱茵写真-400x496.14k.-明星写真馆n63.com
0
0
汤臣二少东汤珈铖与富二代传婚讯配王子的还得是公主
0
0
九寨鲁能希尔顿花园酒店
0
0
滑稽宝宝
0
0
圆圆女生也适合的短发蛋卷头 超减龄显脸小,短发图片,发型图片
0
0
爱豆侧颜区风景大赏##朴灿烈心动时刻##朴灿烈虎牙直播
0
0
童心向党简笔画
0
0
男人带来好运竹子头像 - 唯美微信头像!
0
0
【免抠png素材篇】古今png人物素材 56p - 浪漫人生 - .
0
0
古力娜扎云纱轻快浪漫大片,甜蜜明亮交织,奇妙浪漫气息迷人_时尚_风格
0
0