八零图社
首页
最新
热门
排行
首页
最新
热门
排行
自然风光
动漫卡通
美食摄影
科技数码
人物写真
创意设计
壁纸背景
游戏原画
首页
九十年代女港星大全
图片详情
78八九十年代的港星神颜78没有ps的年代97代表作《河东狮吼》
0
浏览
0
喜欢
1080x1305
尺寸
2026-03-12 19:25:20
上传
查看原图
下载图片
图片链接
缩略图
原图
外链
专题
九十年代女港星大全
相关图片
90年代香港公认的10大女神,每一个都超有辨识度
0
0
那些惊艳了时光的港星,王祖贤的洒脱穿搭,美的魅惑众生.
0
0
90年代,港星四大美女,哪个是你的心中女神_香港_黎姿_美貌
0
0
八九十年代的关之琳仍然是我心里那个最美的"十三姨"_美颜_观众_港星
0
0
上个世纪九十年代,香港影视剧行业迅速崛起.
0
0
八九十年代的港星真的美得别有一番韵味,真真让人心醉~下面就让我们一
0
0
在九十年代的香港,娱乐圈正经历着一个黄金时期,电影和电视剧蓬勃发展
0
0
九十年代短发美女#陈法蓉 #港星女神 #港风-度小视
0
0
心中的短发女神九十年代的港星,短发真的漂亮.干净利落__财经头条
0
0
八,九十年代,长相清秀的2位「发箍女神」,经典复古港风范
0
0
【港风】盘点90年代香港电影十大女神,第一名当之无愧_哔哩哔哩_bili
0
0
最美短发港星,两度遭富商抛弃,得抑郁症险些自杀,今49岁仍单身
0
0
随机推荐
霸王龙
0
0
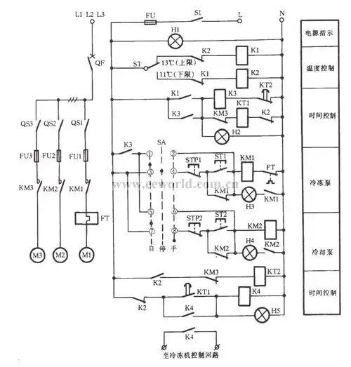
冷冻机与冷却泵联锁控制电路
0
0
御守符纹身图片大全 好看的日式平安符纹身设计(23)
0
0
左手一笔空心字
0
0
冬季冬日卡通手绘背手老太太
0
0
苹果7plus原装手机电池6sp大容量7plus苹果xxsm超人版昂沐苹果6s超人
0
0
bank有几个意思
0
0
现货长款手抓包礼品盒经典拉链钱包硬纸盒精美特种纸抽拉包装盒子
0
0
最低几千的四轮电动车送给家人最好的礼物赶快行动吧
0
0
分享一组花花草草的手机壁纸98 高清手机壁纸 花花草草 美丽的事物
0
0
中国好声音好声音第三季
0
0
纯铜平平安安苹果摆件家居客厅装饰品结婚礼物搬家礼品乔迁新居
0
0