八零图社
首页
最新
热门
排行
首页
最新
热门
排行
自然风光
动漫卡通
美食摄影
科技数码
人物写真
创意设计
壁纸背景
游戏原画
首页
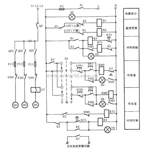
冷干机电气原理图
图片详情
冷冻机与冷却泵联锁控制电路
0
浏览
0
喜欢
1193x1249
尺寸
2026-03-12 06:56:18
上传
查看原图
下载图片
图片链接
缩略图
原图
外链
专题
冷干机电气原理图
相关图片
冷压机电气原理图和接线图
0
0
uv干燥机电气原理图
0
0
山立冷干机使用说明书(中英文)
0
0
冷干机原理与故障处理
0
0
实例分析,如何设计电气控制电路
0
0
烘干机电路原理图
0
0
orion冷干干燥机接线图(各型号齐全)
0
0
实例分析,如何设计电气控制电路
0
0
科林冷干机电路图_冷干机常见故障视频
0
0
简述冷干机工作原理流程及流程图赏析
0
0
冷干机的最后一站——"排水器",为气源保驾护航
0
0
冻干机制冷系统原理图及冻干机结构
0
0
随机推荐
垂吊矮牵牛
0
0
党史的简笔画手抄报关于党史的手抄报
0
0
朱一龙刘昊然出席戛纳电影节,两人身穿黑色西装海边合照,贵气十足
0
0
打架被砍伤流血图片
0
0
光遇竖琴千本樱数字谱 光遇钢琴笛子简单好听的乐谱分享
0
0
复古华丽的黑金花朵手机壁纸
0
0
我,伊拉克人,曾被子弹打穿腹部,来中国生活10年,很有安全感!
0
0
[blackpink] 首尔演唱会 四人solo舞台百万直拍合集
0
0
2023兔兔头像来咯#准备好新年第一只兔子 #新年来了该换头 - 抖音
0
0
chubymi人物二次元动漫插画板绘原画资源美术学习资料绘画素材图片
0
0
【刘耀文】"文哥头盔一戴 谁也不爱!
0
0
微信动漫男生冷酷头像 2021微信最火爆的动漫男生头像
0
0