八零图社
首页
最新
热门
排行
首页
最新
热门
排行
自然风光
动漫卡通
美食摄影
科技数码
人物写真
创意设计
壁纸背景
游戏原画
首页
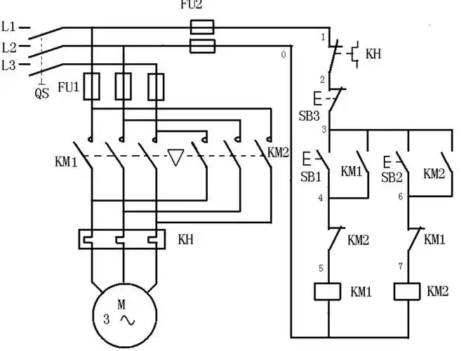
继电器互锁接线图
图片详情
互锁比自锁稍微难一点,它是两个接触器或者和继电器完成的线路.
0
浏览
0
喜欢
519x369
尺寸
2026-03-13 21:01:20
上传
查看原图
下载图片
图片链接
缩略图
原图
外链
专题
继电器互锁接线图
相关图片
继电器互锁电路图
0
0
展开全部 如图就这样,两个接触器做好互锁就好.
0
0
电动机正转点动加连续 反转连续机械互锁电路图
0
0
三项电源接触器互锁电路
0
0
两个电动机互锁的电路图.要求电动机m1启动时m2停止,m2启动时m1停止.
0
0
两个继电器互锁电路图
0
0
互锁
0
0
三相电动机使用交流接触带热继电器作双重联锁正反转接线图怎样看
0
0
两个互锁的继电器同时得电哪个先动作? - 知乎
0
0
三相异步向机正反转双重互锁接线图
0
0
在正转和反转两个接触器的常闭触点上作互锁;另一个在正反转按钮的
0
0
两个互锁的继电器同时得电哪个先动作?
0
0
随机推荐
黑发蓝瞳动漫男主头像~难走就独行 留住心中小小的自己
0
0
如果不是癌症,这位当年《快乐星球》的童星,生命不会停留在15岁
0
0
刘德华的个人简历
0
0
陈艳妹大姐照片专集 - 美篇
0
0
男女主合照
0
0
裴秀智南柱赫startup结婚照剧迷刀中找糖哭诉编剧没有心
0
0
春夏sk-ii#sk-ii全球品牌代言人春夏#sk-ii全球品牌代言人 春夏继续
0
0
梁希206城市设计课程成果展:清华东路西口城市设计
0
0
怎么点住舞团名字 2010-05-22 怎么复制qq炫舞的舞团名字 14 2010-05
0
0
去布料合集06:异域风的王昭君太美了
0
0
发烧音乐群星天碟空灵之声dsd正版cd低速原抓wavcue
0
0
胖子和瘦子的区别到底有多大看到身上这几斤肉你不想减肥都难
0
0