八零图社
首页
最新
热门
排行
首页
最新
热门
排行
自然风光
动漫卡通
美食摄影
科技数码
人物写真
创意设计
壁纸背景
游戏原画
首页
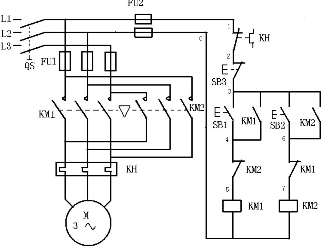
继电器互锁接线图
图片详情
展开全部 如图就这样,两个接触器做好互锁就好.
0
浏览
0
喜欢
1080x801
尺寸
2026-03-13 21:01:20
上传
查看原图
下载图片
图片链接
缩略图
原图
外链
专题
继电器互锁接线图
相关图片
继电器互锁电路图
0
0
电动机正转点动加连续 反转连续机械互锁电路图
0
0
三项电源接触器互锁电路
0
0
两个电动机互锁的电路图.要求电动机m1启动时m2停止,m2启动时m1停止.
0
0
两个继电器互锁电路图
0
0
电工机 - 热门商品专区
0
0
请求各位大侠 ,求用两个点动开关控制两个继电器互锁功能线路图
0
0
互锁
0
0
三相电动机使用交流接触带热继电器作双重联锁正反转接线图怎样看
0
0
在正转和反转两个接触器的常闭触点上作互锁;另一个在正反转按钮的
0
0
互锁比自锁稍微难一点,它是两个接触器或者和继电器完成的线路.
0
0
两个互锁的继电器同时得电哪个先动作?
0
0
随机推荐
宝可梦#超可爱哒皮卡丘 twi:r_kumano
0
0
《嫁入豪门》钱泳辰演绎别样豪门人生
0
0
tb秀hybridbiomeremix舞本舞蹈培训学校
0
0
简约的带表情的搞笑文字图片
0
0
刘耀文微信头像分享
0
0
wallpaper 壁纸推荐 今天依然范特西! 1.周杰伦-范特西
0
0
酷跑英雄
0
0
个性班旗精心设 班级风貌运动展——文通中学初二年级Ⅰ部运动会班旗
0
0
一只手与花的影子,手的花-白色背景上的暗阴影
0
0
流行歌曲口琴简谱集90年代歌曲
0
0
念七 丸子头女生头像
0
0
[tfboys][新闻]190418 王源重庆飞北京,红衣小源生发速度令人羡慕
0
0