八零图社
首页
最新
热门
排行
首页
最新
热门
排行
自然风光
动漫卡通
美食摄影
科技数码
人物写真
创意设计
壁纸背景
游戏原画
首页
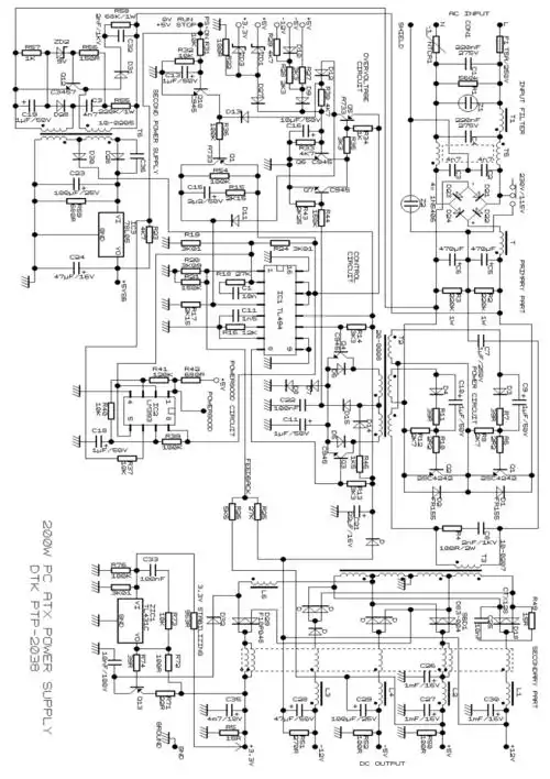
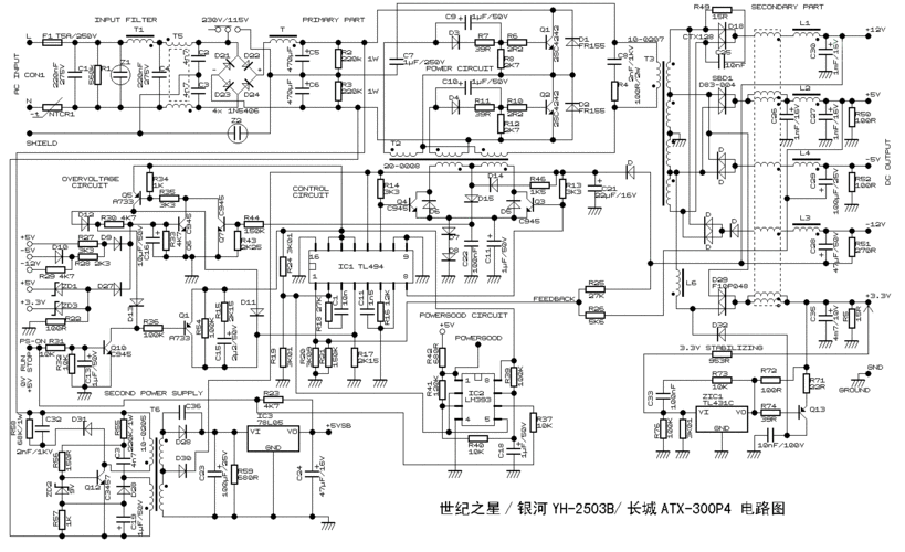
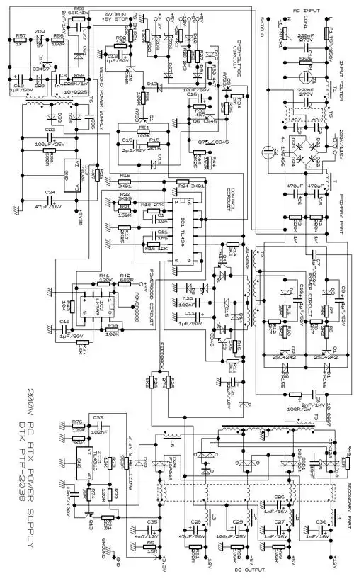
电脑电源原理图详解
图片详情
pc机台式机开关电源电路原理附原理图
0
浏览
0
喜欢
920x1302
尺寸
2026-03-13 09:19:38
上传
查看原图
下载图片
图片链接
缩略图
原图
外链
专题
电脑电源原理图详解
相关图片
(共30页,当前第11页) 你可能喜欢 工程电路 atx电源原理与维修 电脑
0
0
电脑开关电源原理图
0
0
300w计算机开关电源电路图
0
0
电路原理(附原理图)第1页 下一页 你可能喜欢 电脑开关电源电路图大全
0
0
求助:dell(戴尔)hp-p2507fwp电脑主机电源线路图
0
0
电脑主机的be-150型开关电源电路
0
0
康柏电脑的开关电源供电电路
0
0
求助atx长城电脑电源电路图及修理方法?
0
0
计算机atx电源改装可调稳压电源(一)
0
0
联想l197型液晶彩显电源电路分析
0
0
3.3v 5v 12v 电脑开关电源电路图
0
0
电脑开关电源电路图大全7
0
0
随机推荐
bme可爱简约手绘卡通白云云彩
0
0
华晨宇#q版#头像
0
0
2018年阳光帅气男生短发发型推荐(阳光的短发男生发型)-锐牛沃德讯息
0
0
早安图片早上好图片大全开心每一天幸福安康
0
0
【携程攻略】南昌秋水广场景点,来南昌没去过秋水广场等于白来,亚洲最
0
0
冬天跑步穿什么?把握3个原则,就能保暖又轻便
0
0
玉米烫发型 玉米烫图片
0
0
楼兰美女到底有多美?引得大汉和匈奴竞相垂涎
0
0
女生头像动漫可爱呆萌
0
0
杨丞琳前任老公是谁(回顾她6个前任个比一个帅) - 帮企客
0
0
2024你该换个微信头像了,2月精选36张新款个性签名头像,请查收_评论
0
0
美国华盛顿特区中心国家广场格局合理讲究对称美,建筑风格大气恢宏
0
0