八零图社
首页
最新
热门
排行
首页
最新
热门
排行
自然风光
动漫卡通
美食摄影
科技数码
人物写真
创意设计
壁纸背景
游戏原画
首页
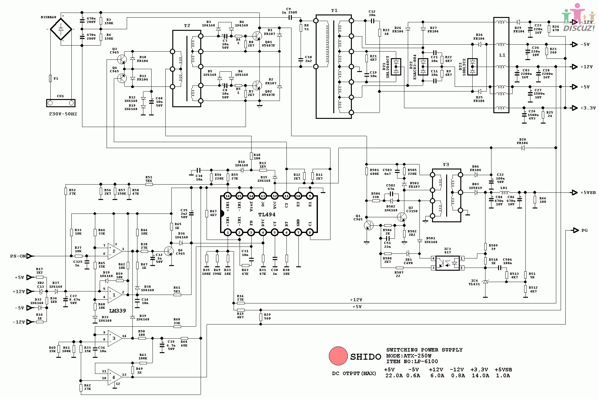
电脑电源原理图详解
图片详情
求助:dell(戴尔)hp-p2507fwp电脑主机电源线路图
0
浏览
0
喜欢
1905x1269
尺寸
2026-03-13 09:19:40
上传
查看原图
下载图片
图片链接
缩略图
原图
外链
专题
电脑电源原理图详解
相关图片
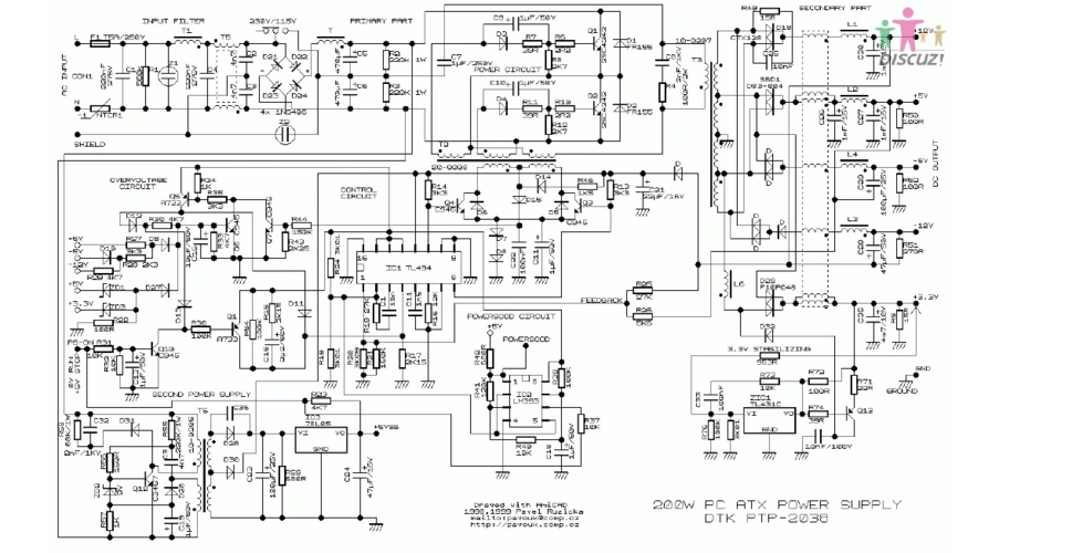
pc电脑电源简介标准功率电压线路图
0
0
(共30页,当前第11页) 你可能喜欢 工程电路 atx电源原理与维修 电脑
0
0
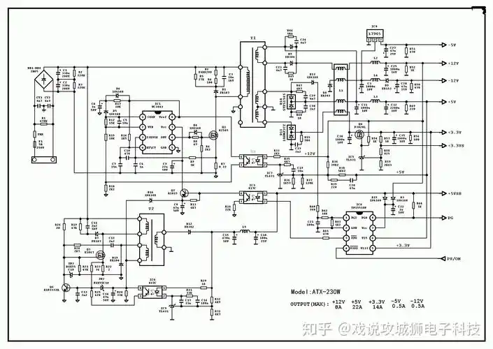
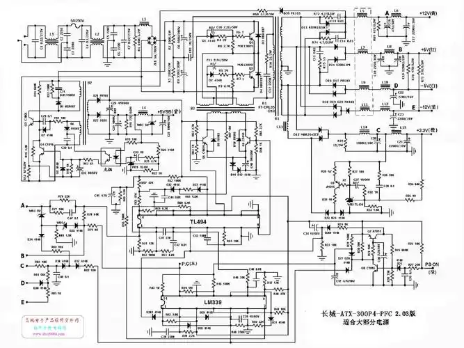
长城atx-300p4-pfc电源
0
0
电路原理(附原理图)第1页 下一页 你可能喜欢 电脑开关电源电路图大全
0
0
电脑主机的be-150型开关电源电路
0
0
康柏电脑的开关电源供电电路
0
0
求助atx长城电脑电源电路图及修理方法?
0
0
电脑开关电源原理图
0
0
联想l197型液晶彩显电源电路分析
0
0
电脑开关电源电路图大全5
0
0
3.3v 5v 12v 电脑开关电源电路图
0
0
电脑开关电源电路图大全7
0
0
随机推荐
真人男头像帅气高冷黑白高清好看的黑白高冷男神头像图片
0
0
电脑壁纸学园孤岛电脑高清壁纸清凉来袭
0
0
说明书-小颗粒积木 -较终.jpg
0
0
看透人心的悲凉句子带字配图
0
0
颖儿婚后与老公aa制因拍戏双胞胎只剩一个曾引起杨幂不满
0
0
黄色颜色图片-黄色颜色图片大全-黄色颜色背景图片-觅知网
0
0
往事不回头,余生不将就.#情感语录 #英语口语 #每日英语
0
0
湖南桃江未公布肺结核学生人数 家长以病历证至少50人确诊
0
0
白毛控·纯欲风·女生头像
0
0
【珅仔工作室】【#广州地铁】5号线 l7型列车 05x131-132 滘口站出站
0
0
万圣节,不寒而栗,幽灵,很奇怪,超现实,神秘,令人毛骨悚然
0
0
尊楷书书法字典
0
0