八零图社
首页
最新
热门
排行
首页
最新
热门
排行
自然风光
动漫卡通
美食摄影
科技数码
人物写真
创意设计
壁纸背景
游戏原画
首页
mc34063应用电路图
图片详情
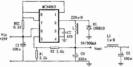
mc34063a构成的双路三路输出稳压电源电路图
0
浏览
0
喜欢
697x399
尺寸
2026-03-13 09:09:52
上传
查看原图
下载图片
图片链接
缩略图
原图
外链
专题
mc34063应用电路图
相关图片
麻烦电子技术高手帮我解决一个34063降压电路问题
0
0
按照下图设计的mc34063反转电路,但是输出只有-6v,达不到要求的-15v是
0
0
mc34063a负压扩流电路
0
0
mc34063a升降压的典型电路中;输出电压是怎么算的.
0
0
mc34063典型降压电路问题
0
0
mc34063ap开关电源原理及检修-设计应用-维库电子市场网
0
0
请教mc34063升压扩流电流值的计算方式
0
0
输出3.1v,最好要有电路图
0
0
电路图
0
0
无忧文档 所有分类 工程科技 电子/电路 mc34063中文资料 mc34063资料
0
0
mc34063构成的降压变换电源电路
0
0
求问用mc34063做个7v~20v升压电路,完全按照数据手册的电路连接的
0
0
随机推荐
精致御姐女生动漫头像
0
0
不得不说最近的舞蹈都好帅!#刘耀文 #国风少年 #朱雀 #哪吒
0
0
王者荣耀最强刺客露娜皮肤图片壁纸
0
0
科学美国人60秒:很多喜剧演员具备精神病特质
0
0
刘晓庆,陈冲,张瑜等当年借衣穿经历,同款服装呈现不同风味_衣服_穿着
0
0
气球培训|女神生日|浪漫粉系生日派对布置.2022浪漫粉系生 - 抖音
0
0
嘘,呵,呼,哂,吹,嘻(唏)
0
0
陈雨昂是陈红亲生的吗 陈飞宇和陈雨昂身高差同父同母吗一点不像
0
0
这些表白二维码发给你喜欢的人~蟹蟹你的点赞~~nice
0
0
40*30*22cm重量:800g宝贝描述:声控,眼睛发光,爬动,发出恐怖声音联系
0
0
那些优秀的彩虹屁
0
0
魔女宅急便 #宫崎骏 #魔法少女琪琪 #治愈#手绘 #零基础学画画
0
0