八零图社
首页
最新
热门
排行
首页
最新
热门
排行
自然风光
动漫卡通
美食摄影
科技数码
人物写真
创意设计
壁纸背景
游戏原画
首页
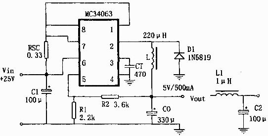
mc34063应用电路图
图片详情
mc34063构成的降压变换电源电路
0
浏览
0
喜欢
542x275
尺寸
2026-03-13 09:09:57
上传
查看原图
下载图片
图片链接
缩略图
原图
外链
专题
mc34063应用电路图
相关图片
升压电路 mc34063 不正常
0
0
麻烦电子技术高手帮我解决一个34063降压电路问题
0
0
按照下图设计的mc34063反转电路,但是输出只有-6v,达不到要求的-15v是
0
0
mc34063a负压扩流电路
0
0
mc34063ap开关电源原理及检修-设计应用-维库电子市场网
0
0
输出3.1v,最好要有电路图
0
0
mc34063升压电路及原理
0
0
电路图
0
0
mc34063降压电路发热烧坏,求助吖!
0
0
无忧文档 所有分类 工程科技 电子/电路 mc34063中文资料 mc34063资料
0
0
用mc34063的降压变换电源电路
0
0
求问用mc34063做个7v~20v升压电路,完全按照数据手册的电路连接的
0
0
随机推荐
御姐头像高冷成熟2020 最新qq头像女生霸气大全
0
0
下颌角疼是什么原因引起的
0
0
白色涂抹背景图片
0
0
【图】章子怡王力宏对唱《爱一点》 莫艳琳成金牌制作人
0
0
在抖音上推广宣传的企业商家很多,但 - 抖音
0
0
美容活动策划活动方案(美容活动策划活动方案一年免费做)
0
0
紫色花和蝴蝶 壁纸 - 1440x900
0
0
宋亚轩这组写真有腹黑病娇男主那味了!
0
0
兰陵王新海报上线啦!
0
0
刘雨鑫微博秀恐怖"靓"照 午夜女鬼一见钟情
0
0
王铎行书书法
0
0
油纸布防水
0
0