八零图社
首页
最新
热门
排行
首页
最新
热门
排行
自然风光
动漫卡通
美食摄影
科技数码
人物写真
创意设计
壁纸背景
游戏原画
首页
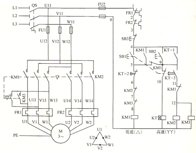
双速电机接线图原理图
图片详情
双速电动机变速控制电路
0
浏览
0
喜欢
1199x871
尺寸
2026-03-12 10:46:09
上传
查看原图
下载图片
图片链接
缩略图
原图
外链
专题
双速电机接线图原理图
相关图片
双速电机控制电路
0
0
现在有一台双速电机要求:在高速低速时都能正反转,那位师傅给我一个
0
0
双速异步电动机控制电路
0
0
任务书 一,施工任务描述 一车间新进了一台双速电机
0
0
双速电机原理图
0
0
双速异步电动机改动转速可选用改动绕组的接线办法来完毕.
0
0
时间继电器控制双速电机的控制电路
0
0
双速电机正反转接线图
0
0
双速电机的接线方式
0
0
电机双速控制和小车自动行程控制.[心][心]
0
0
一台三相交流双速电动机,其接线方式为△/yy 2/4, 请画出用两只交流
0
0
2种双速电机控制电路详解,双速调节,简单易上手,干货!
0
0
随机推荐
送你最美花海,赶紧打开看看
0
0
儿时的夏天|肆意奔跑在每一个无忧无虑的夏天
0
0
如何合法穿越羌塘无人区如此炸裂的线路不去后悔一辈子
0
0
小黄鸭情侣头像可爱鸭情侣头像
0
0
淡雅小清新h5背景
0
0
黎明明 mingming li的图片
0
0
自黑无极限彭于晏搞怪自拍挤出抬头纹双下巴
0
0
罕见"冥界之花"在江西现身,通体雪白剔透,它真会带来灾祸吗?
0
0
国家 合唱谱
0
0
文轩情头~#tnt时代少年团 #文轩 #情头
0
0
一个疯狂的艺术家用令人毛骨悚然的手段制作了栩栩如生的活人蜡像
0
0
89胫前肌
0
0