八零图社
首页
最新
热门
排行
首页
最新
热门
排行
自然风光
动漫卡通
美食摄影
科技数码
人物写真
创意设计
壁纸背景
游戏原画
首页
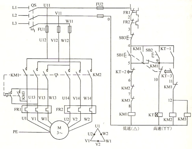
双速电机接线图原理图
图片详情
任务书 一,施工任务描述 一车间新进了一台双速电机
0
浏览
0
喜欢
974x760
尺寸
2026-03-12 10:46:07
上传
查看原图
下载图片
图片链接
缩略图
原图
外链
专题
双速电机接线图原理图
相关图片
双速电机控制电路
0
0
双速电机控制电路图
0
0
现在有一台双速电机要求:在高速低速时都能正反转,那位师傅给我一个
0
0
双速异步电动机改动转速可选用改动绕组的接线办法来完毕.
0
0
双速电动机变速控制电路
0
0
设计机床主轴转速常用标准公比应适用于双速电机转速的要求.
0
0
双速电机正反转接线图
0
0
双速电机的工作原理_双速电机接线图_双速电机3个接触
0
0
双速电机的接线方式
0
0
电机双速控制和小车自动行程控制.[心][心]
0
0
2种双速电机控制电路详解,双速调节,简单易上手,干货!
0
0
1)接触器控制的双速异步电动机调速电路
0
0
随机推荐
带来好运吉祥如意微信头像图片大全【点击鼠标右键下载】
0
0
情人节 爱心红叶树 草地 唯美 七夕 浪漫 4k壁纸
0
0
当一个男人能把自己老婆气的哭,然后心凉,心寒继而绝望,而只会 - 抖音
0
0
三只松鼠可爱卡通宽屏壁纸壁纸图片
0
0
微信头像女生黑白冷酷侧脸 女生头像图片大全 -【爱个性】
0
0
冷雨夜粤语简谱
0
0
angelababy十年后容貌不减反增,粉丝:她真是纯天然美女_美得_时候
0
0
初学者马克笔简笔画图颜色
0
0
原创beats耳机广告设计|平面|海报|coooc - 原创作品 - 站酷 (zcool)
0
0
陕西西安毛石片石送货上门加工挡土墙景观墙基础护坡
0
0
火影忍者 博人转-九喇嘛 须佐能乎
0
0
爱心涂鸦半袖简笔画
0
0