八零图社
首页
最新
热门
排行
首页
最新
热门
排行
自然风光
动漫卡通
美食摄影
科技数码
人物写真
创意设计
壁纸背景
游戏原画
首页
1969电路图
图片详情
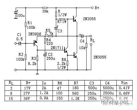
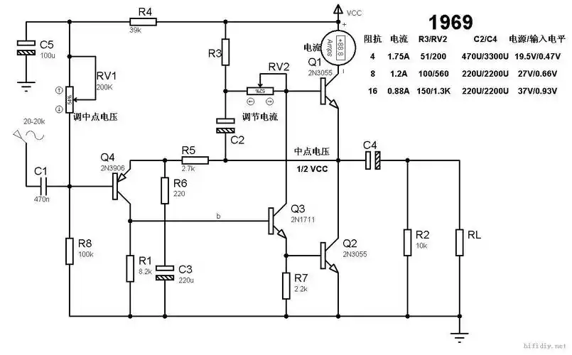
求助1969中点电压接近vcc静态电流为0有图
0
浏览
0
喜欢
1320x820
尺寸
2026-03-13 09:27:52
上传
查看原图
下载图片
图片链接
缩略图
原图
外链
专题
1969电路图
相关图片
1969电路图.jpg
0
0
闲来无事搭棚个1969小甲实验
0
0
请大家来说说1969功放
0
0
pnp1969.gif
0
0
1969电路_副本.jpg
0
0
双电源供电1969
0
0
1969 电路.jpg
0
0
低压mos管输出的1969功放
0
0
什么是1969功放?
0
0
diy制作求1969m24v的实用图
0
0
[耳放耳机] 继tpa6120耳放之后,再战1969耳放
0
0
大家探讨jlh1969 ,mini 1969 和hood1969, mosfet 1969四个版本哪个才
0
0
随机推荐
娘心王天成
0
0
作为最后一个单元剧中的主角,演员叶祖新(饰袁客师)也即将登场与电视
0
0
nowfresh新煮张发起人肖宇梁##now fresh寻找饭搭子
0
0
2021金霏陈曦郑州相声专场(时间,地点,门票)一览
0
0
【图】疯狂的石头黄渤台词大全 小盗贼上演大幽默
0
0
放学后的少女壁纸分享.#手机墙纸 #二次元 #二次元美图 # - 抖音
0
0
情侣专用手机壁纸微信聊天背景图
0
0
赵磊呼吸感大片写真图片
0
0
请问哪位大神知道青岛目前建成或者在建以及规划的地铁线路图呀
0
0
新款n19国产大蟒蛇z1000重型机车摩托车街车国四电喷可上牌大蟒蛇单缸
0
0
我是断掌,女右手生命线中间断开而且第二段位置跟第一段错开了,第一段
0
0
撸串串|插画|商业插画|云晞 - 原创作品 - 站酷 (zcool)
0
0