八零图社
首页
最新
热门
排行
首页
最新
热门
排行
自然风光
动漫卡通
美食摄影
科技数码
人物写真
创意设计
壁纸背景
游戏原画
首页
五种基本电路图
图片详情
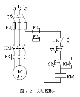
接触器(额定电流大于电机的电流,线圈电压要与控制电路电压相一致)
0
浏览
0
喜欢
266x323
尺寸
2026-03-12 15:25:47
上传
查看原图
下载图片
图片链接
缩略图
原图
外链
专题
五种基本电路图
相关图片
中国工控 |电工实操考核中,最经典的7张电路图(高清收藏版)
0
0
值得收藏的上百张电工常用电路图
0
0
张电工最常见电路原理图.doc
0
0
双庆中学电路图复习专题答案ppt
0
0
运算电路的基本定义和运算电路经典基本电路图
0
0
家庭电路学案
0
0
画出电路图
0
0
五路闪烁灯串电路(4)
0
0
无忧文档 所有分类 工程科技 电子/电路 等效电阻的几种计算方法 4 图
0
0
给实物图画电路图!急
0
0
5v1a开关电源的电路图
0
0
电工必须掌握电路 星形-三角形启动电路原理图解
0
0
随机推荐
德国女歌手海伦·菲舍尔的歌,声音清澈浑厚,歌词励志有力量!
0
0
娱乐小八卦:刘亦菲,贾玲张小斐,王一博,赵丽颖_电影_虞书欣_霍建华
0
0
好价出劳力士满天星dd天花板36mm全新全套
0
0
柳岩
0
0
一起喝秋天的第一杯奶茶,世上美女千千万我的闺蜜最好看,暴富暴 - 抖
0
0
她是著名美女主持人23岁嫁41岁丈夫生活甜美让人羡慕
0
0
加厚文件袋办公资料袋收纳袋a4人事袋子招标投标书袋 3号信封20个
0
0
透明琥珀项链图片
0
0
董又霖多巴胺情绪大片 上线! - 抖音
0
0
明星专辑秦霄贤手机壁纸
0
0
刘恺威杨幂恐复婚!女方自爆二胎3个月!时隔4年离婚真相终于大白
0
0