八零图社
首页
最新
热门
排行
首页
最新
热门
排行
自然风光
动漫卡通
美食摄影
科技数码
人物写真
创意设计
壁纸背景
游戏原画
首页
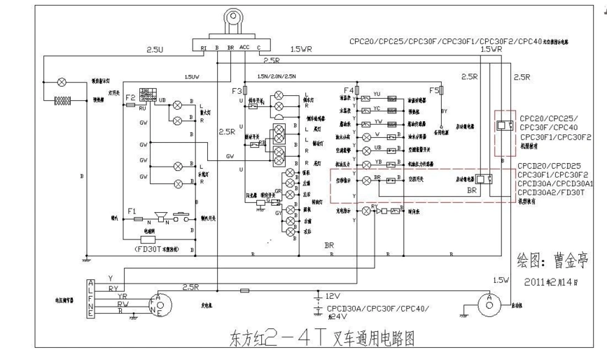
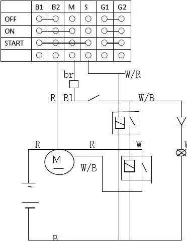
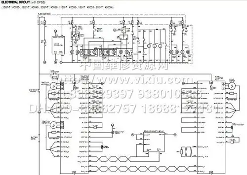
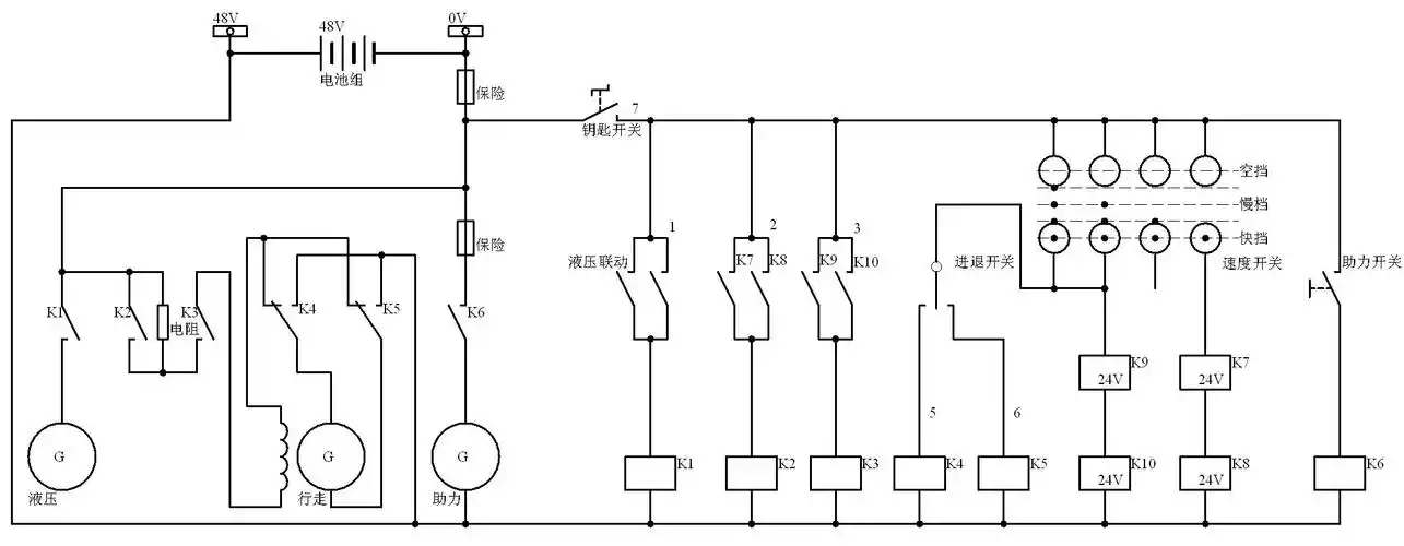
合力电动叉车电路图
图片详情
5t合力叉车启动电路故障排除
0
浏览
0
喜欢
372x481
尺寸
2026-03-12 15:06:59
上传
查看原图
下载图片
图片链接
缩略图
原图
外链
专题
合力电动叉车电路图
相关图片
合力柴油叉车电路图
0
0
无忧文档 所有分类 工程科技 电子/电路 叉车电气原理图 (共1页,当前
0
0
合力叉车电路接线图
0
0
电瓶叉车电路图
0
0
电动叉车电控系统,在现有叉车电控系统的基础上,在不破坏整车外电路和
0
0
所述电动叉车包括动力电池,所述控制系统包括:逆变电路,所述逆变电路
0
0
一种多功能交流电动叉车液压控制系统的制作方法
0
0
电动叉车电路图
0
0
电动叉车控制器电路图大全
0
0
内燃平衡重叉车横向稳定性控制系统设计 (1)车速信号调理电路
0
0
380v合力叉车充电器输入电压接线图
0
0
电动叉车控制系统详解带电路图docx
0
0
随机推荐
清晨祝福朋友早安暖心图片祝你平安顺序健康如意
0
0
刘德华同款花朵毛衫上架_刘德华_毛衣_时尚_穿搭_上衣
0
0
养仓鼠久了才明白,仓鼠"一只眼睛睁不开",是在告诉你这些信号
0
0
朱一龙徐子瑄恋情系谣传居老师曾表示至今仍单身镇魂女孩笑了
0
0
圣罗兰口红
0
0
有哪些好看的适合女生的微信头像
0
0
赵灵儿
0
0
截止阀 闸阀 真空闸阀.j41h-16c dn300 z54 - 抖音
0
0
和尚小娃娃卡通人物系列
0
0
再见-男儿本色片尾曲-张震岳五线谱预览3
0
0
圆形花纹图案设计矢量素材下载(图片id:960142)_-底纹背景-矢量素材
0
0
林志玲近照曝光大变样,48岁身材臃肿似大妈,4年来依旧卑躬屈膝
0
0