八零图社
首页
最新
热门
排行
首页
最新
热门
排行
自然风光
动漫卡通
美食摄影
科技数码
人物写真
创意设计
壁纸背景
游戏原画
首页
个性说说短句签名
图片详情
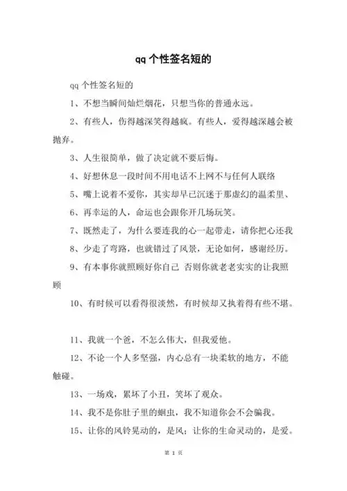
朋友圈让人泪崩的伤感说说个性签名大全另类签名
0
浏览
0
喜欢
920x1303
尺寸
2026-03-13 03:07:37
上传
查看原图
下载图片
图片链接
缩略图
原图
外链
专题
个性说说短句签名
相关图片
个性签名语句
0
0
qq简短个性签名
0
0
微信个性签名那些惊艳了你的句子
0
0
好的qq个性签名
0
0
qq个性签名说说
0
0
12个字的个性签名简短(12个字的个性签名简短霸气)
0
0
2017经典说说心情短语微信个性签名.doc
0
0
微信精选的个性签名经典句子.doc 3页
0
0
qq个性签名短的
0
0
优美短句励志说说个性签名
0
0
短句个性签名.docx
0
0
个性心情签名大全
0
0
随机推荐
tnt时代少年团同款私服宋亚轩同款粉色短袖抑菌t恤应援宽松男女宽松棉
0
0
道熊约稿军阀狼狗
0
0
给女儿的成长手册设计的封面
0
0
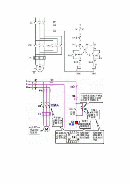
继电器常用自锁电路图.doc
0
0
gta5消防局位置一览
0
0
每一张照片都是满满的回忆,珍惜每一个爱你和你爱的人! - 抖音
0
0
狗头保命表情包抖音热门狗头保命图片
0
0
弹jj(群主)_表情包_斗图图片
0
0
实木橡胶木木工桌,工作台,操作台
0
0
可爱的猫与太阳镜,非常酷 壁纸 - 1600x1200
0
0
棒球服套装男春季新款帅气飞行员休闲运动夹克三件套搭配春秋衣服
0
0
首发精品yang西安丝路国际会展中心室内设计方案两版效果图施工图物料
0
0