八零图社
首页
最新
热门
排行
首页
最新
热门
排行
自然风光
动漫卡通
美食摄影
科技数码
人物写真
创意设计
壁纸背景
游戏原画
首页
施勤俭个人介绍
图片详情
土壤里的微生物(一)ppt
0
浏览
0
喜欢
1080x810
尺寸
2026-03-13 13:05:32
上传
查看原图
下载图片
图片链接
缩略图
原图
外链
专题
施勤俭个人介绍
相关图片
勤俭自古称美德,劳动如今更光荣.
0
0
上海市最美奋斗者推荐人选
0
0
施勤俭书记作总结发言,希望大家进一步树立民主党派意识
0
0
【榜样的力量】8月三安之星
0
0
《水浒传》
0
0
勤廉先进典型事迹材料doc
0
0
2018大连润星城教育导师简介设计
0
0
【情暖夕阳 爱在重阳】退休教师重阳节茶话会召开
0
0
点赞今年盐城月月有典型荣登中国好人榜10月是这位快乐吸钉人
0
0
(讲师简介-王智勤.doc
0
0
勤俭之星事迹材料
0
0
缝纫机股份公司市场部总监罗盛介绍了公司的品牌发展,产品优势,广告
0
0
随机推荐
2021年帅气发型男图片 男士短发发型图片-图片大观-奇异网
0
0
用日漫男主的方式打开和夏彦的约会
0
0
婴儿用品置物架落地轮式小推车奶粉罐零食收纳盒床头新生儿必备
0
0
我
0
0
锦衣之下 陆绎
0
0
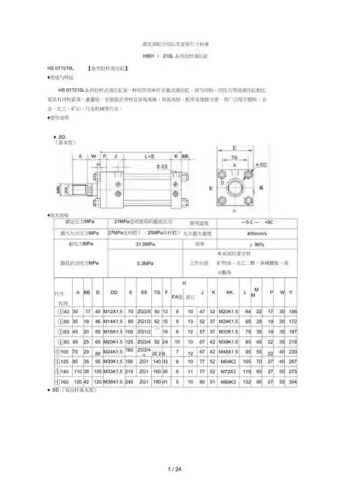
液压油缸尺寸表
0
0
艾士奇电炸炉商用油炸锅智能全自动单缸大容量电炸锅油条炸串设备
0
0
《陈情令》"蓝思追"美图分享,斯文又善良,人如其名,眼似繁星
0
0
绿色幼儿园卡通ppt背景图片
0
0
流浪者表情包及角色介绍
0
0
牛图片_牛图片大全_全景图片网
0
0
手绘音乐酒吧插画
0
0