八零图社
首页
最新
热门
排行
首页
最新
热门
排行
自然风光
动漫卡通
美食摄影
科技数码
人物写真
创意设计
壁纸背景
游戏原画
首页
张迁碑获奖作品
图片详情
汉代《张迁碑》隶书 纸本墨笔 2017年
0
浏览
0
喜欢
1350x2676
尺寸
2026-03-15 06:55:39
上传
查看原图
下载图片
图片链接
缩略图
原图
外链
专题
张迁碑获奖作品
相关图片
东汉名碑《张迁碑》到底好在哪儿?
0
0
曹俊孝临《张迁碑》
0
0
张迁碑节选. - 原创作品 - 站酷(zcool)
0
0
让我感觉到,用《张迁碑》可以写出这么多种类的作品.
0
0
0070 隶书-节临《张迁碑》 镜心四屏 水墨纸本
0
0
学习张迁碑集联作品
0
0
梁启超临《张迁碑》十二条屏
0
0
写好隶书,绕不开《张迁碑》
0
0
以下是第一步:对临.每日习书张迁碑集联
0
0
学习《张迁碑》,点画,结构,创作一手抓,齐活儿!
0
0
【资讯】我馆开展《张迁碑》赏析课程
0
0
许全业临《张迁碑》
0
0
随机推荐
董洁的鼻子很好看,但是有些轻微的凸嘴.
0
0
票选一元复始乘风破浪2021元旦房企官宣海报大赏
0
0
绿色的稻田日落美景
0
0
王乐志-静物
0
0
小号各调指法
0
0
张国荣当年情吉他谱c调吉他弹唱谱
0
0
开关,一个物体,背景分离,美术工艺,照明设备
0
0
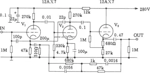
电子管前级-电路图-电子产品世界
0
0
孙宁搭配风格全解析
0
0
全世界最好的肖战#恭喜肖战追星成功,同时这片红海是属于你的
0
0
如何看待火箭少女101涉嫌抄袭宇宙少女应援棒
0
0
晴川
0
0