八零图社
首页
最新
热门
排行
首页
最新
热门
排行
自然风光
动漫卡通
美食摄影
科技数码
人物写真
创意设计
壁纸背景
游戏原画
首页
网易
图片详情
3月23日最新免费加速器 【网易uu】 加速器 主播口令789天超长兑换时
0
浏览
0
喜欢
1330x783
尺寸
2026-03-13 08:47:29
上传
查看原图
下载图片
图片链接
缩略图
原图
外链
专题
网易
相关图片
网易恶搞王者女英雄##阴阳师给王者荣耀律师函
0
0
每日一问能不能回声购买网易能不能回声购买网易能不能回声购买网
0
0
网易15款手游上线防沉迷系统家长可申请禁玩
0
0
网易网关于开展加强未成年人网络保护专项行动的公告
0
0
今起可查考研初试成绩,个税申报预约……本周提醒_网易订阅
0
0
网易网盘关闭入口未来网易将会陆续关闭免费业务
0
0
我的世界网易123枪械模组
0
0
我的世界网易版,推荐网红都在用的模组,全部免费.#我的世界
0
0
网易盘中跌近4%
0
0
商会|湖北|商帮_网易订阅
0
0
【原创海报】徐水区:新时代青少年网络文明公约|龙飞|网信_网易订阅
0
0
科汇|科创|信息技术_网易订阅
0
0
随机推荐
靳东演的电视剧哪部比较出名
0
0
古装美男大盘点,哪个是你喜欢的?
0
0
广场舞裙子半身夏季新款大摆纱裙红色短裙中老年人广场舞半身裙
0
0
有什么好看的高清高达壁纸? - 知乎
0
0
前世的约定
0
0
李宗盛,林忆莲1994年同台演唱《当爱已成往事《我终于失去了你》
0
0
薇娅晒了自己在医院的"手环""黄薇"的名字.
0
0
考北电第三名的张子枫穿吊带裙配西装气质不同瞬间成熟了不少
0
0
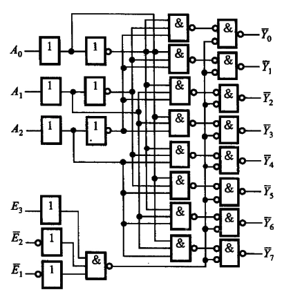
集成译码器应用
0
0
今日体重60.65kg.真的太激动了.
0
0
张翰徐璐你若安好便是晴天国风版甜宠恋爱一起领略国潮之美
0
0
儿童美术96简笔画
0
0