八零图社
首页
最新
热门
排行
首页
最新
热门
排行
自然风光
动漫卡通
美食摄影
科技数码
人物写真
创意设计
壁纸背景
游戏原画
首页
月白星紫怎么调
图片详情
小气球集合
0
浏览
0
喜欢
1080x1101
尺寸
2026-03-12 21:44:23
上传
查看原图
下载图片
图片链接
缩略图
原图
外链
专题
月白星紫怎么调
相关图片
粉粉投稿马嘉祺应援色月白星紫
0
0
超话90#马嘉祺官宣tf家族5周年#【马嘉祺应援色科普】月白星紫:月白
0
0
调色
0
0
颜料| 国画颜料的最全的调色法
0
0
国画入门篇----之 国画颜料的调色法
0
0
轻轻泥调色技巧图片
0
0
超轻粘土调色tnt时代少年团应援色
0
0
『月白星紫·满目星河』#jk格柄 #jk格柄投稿 #jk投稿 #原创jk格柄
0
0
笔记灵感 #手绳编织 #刘耀文 #马嘉祺 #月白星紫 #耀月银白
0
0
工笔画怎样画教程与常用色彩调配表
0
0
求助大神教我调漂啊
0
0
【教程】水粉画的调色配色_水粉吧_百度贴吧
0
0
随机推荐
梦幻动漫少女头像高清唯美的动漫女生qq头像超梦幻图片
0
0
日系jk制服基础款水手服套装学院风校服夏班服裙短袖学生女-阿里巴巴
0
0
喜欢健身的男生最帅
0
0
滨州秦皇丽景获得预售许可
0
0
"hang-gliding " 和 "paragliding " 和 "skydive" 和有什么不一样? |
0
0
陆游的一生,也够跌宕起伏的.
0
0
超大鱿鱼整只新鲜鱿鱼鲜活冷冻深海鱿鱼海鲜水产莫尔加德中号5斤装
0
0
高端老总办公室效果图
0
0
蜡笔小新版海贼王,这个头像很萌98#海贼王壁纸 #海贼王头像 - 抖音
0
0
第五人格杰佣立牌镭射票挂件徽章吧唧同人周边色纸杰克佣兵奈布【15天
0
0
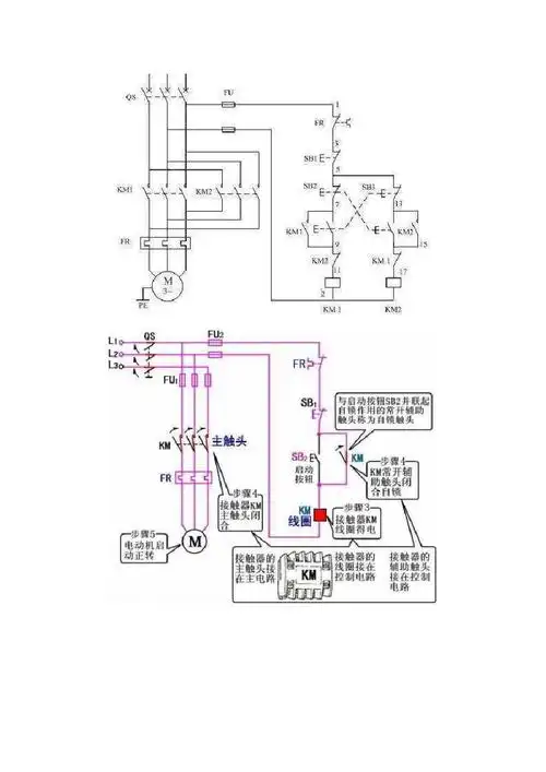
继电器常用自锁电路图
0
0
权志龙帅气超酷头像
0
0