八零图社
首页
最新
热门
排行
首页
最新
热门
排行
自然风光
动漫卡通
美食摄影
科技数码
人物写真
创意设计
壁纸背景
游戏原画
首页
善恶图片手机壁纸
图片详情
善恶在心,一念成佛,一念成魔!手机壁纸!
0
浏览
0
喜欢
1080x1920
尺寸
2026-03-12 14:42:42
上传
查看原图
下载图片
图片链接
缩略图
原图
外链
专题
善恶图片手机壁纸
相关图片
善恶_手机壁纸_动漫卡通手机壁纸_我要个性网
0
0
善恶在心,一念成佛,一念成魔!手机壁纸!
0
0
手机壁纸 是非善恶一念之间
0
0
一善一恶的动漫图片 - 堆糖,美图壁纸兴趣社区
0
0
善恶- 堆糖,美图壁纸兴趣社区
0
0
善恶一念
0
0
刘权,谢婷玉《善恶》2
0
0
善恶在心,一念成佛,一念成魔!手机壁纸!
0
0
善恶在心,一念成佛,一念成魔!手机壁纸!
0
0
善恶
0
0
善恶- 堆糖,美图壁纸兴趣社区
0
0
善恶在心,一念成佛,一念成魔!手机壁纸!
0
0
随机推荐
87式陆军船运士兵呢子套装-价格:198元-se21599167-旧军服-零售-中国
0
0
可爱女生头像
0
0
头像|女生头像锁骨
0
0
这里分享几个可以有效促进小腿变瘦的同时增加肌肉的训练方法,说不定
0
0
十二生肖女婚姻配对表 十二生肖婚姻配对表准不准
0
0
小马过河.ppt
0
0
翠鸟白胸翡翠的守望
0
0
她靠着给李咏砸金蛋为生,如今摇身一变成了国际超模_节目_何穗_身高
0
0
实小东2017-18学年学生广播操站位示意图.doc
0
0
试听180秒151【课文赏析】《白公鹅》:紧紧围绕一个主题
0
0
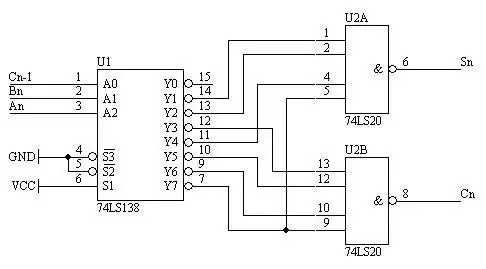
求用两片74ls138设计一个全加器的电路图?
0
0
火箭少女101 04披荆斩棘天使翼,火箭少女10104 成 - 抖音
0
0