八零图社
首页
最新
热门
排行
首页
最新
热门
排行
自然风光
动漫卡通
美食摄影
科技数码
人物写真
创意设计
壁纸背景
游戏原画
首页
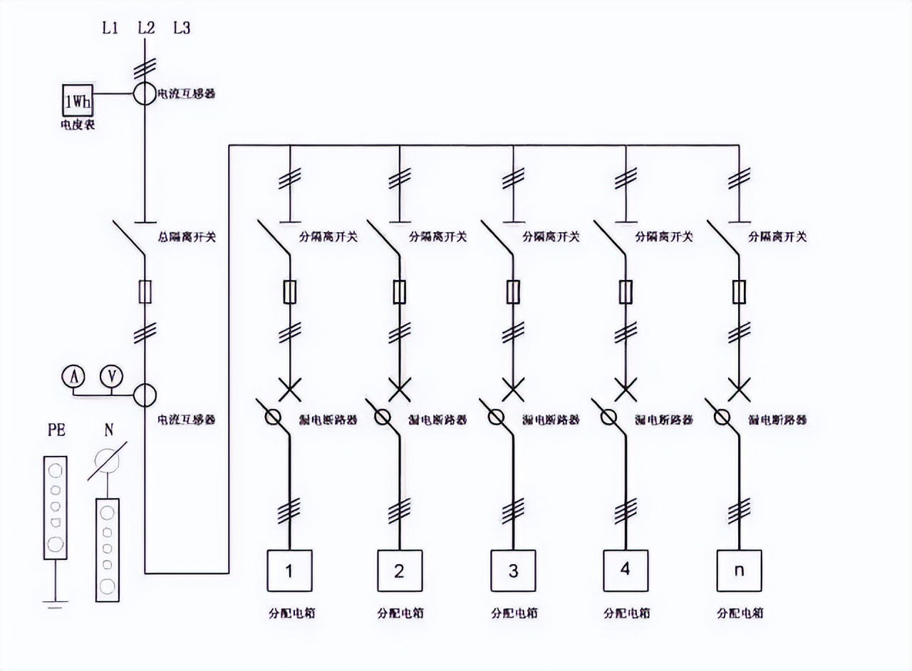
工厂配电箱接线图
图片详情
开关_配电箱_隔离
0
浏览
0
喜欢
1280x942
尺寸
2026-03-14 10:58:23
上传
查看原图
下载图片
图片链接
缩略图
原图
外链
专题
工厂配电箱接线图
相关图片
配电箱接线图
0
0
配电箱线路图.doc 1页
0
0
电箱控制图
0
0
配电箱示意图需要的私聊#热门 #配电箱电路图 #示意图 #电 - 抖音
0
0
配电箱内部接线图
0
0
临时用电电箱接线图
0
0
10kv箱式变电站一次系统接线图的问题
0
0
各种配电箱接线系统图
0
0
各级配电箱接线系统图
0
0
总配电柜接线图
0
0
配电箱系统图中pe,kx,pjs,ljs的含义,终于讲清了
0
0
配电箱电路图doc
0
0
随机推荐
靠近飘窗处摆个懒人沙发,一个人,一本书,静静的享受午后安逸
0
0
黑白男生头像480x480快手专用伤感帅气有魅力男生快手头像
0
0
干净清新古风侧脸女生头像图片
0
0
自然发型阳光男孩
0
0
小提琴入门自学教程
0
0
《哪吒之魔童降世》q版手办:魔童灵珠,萌趣降世
0
0
氛围感壁纸来啦#王一博 #王一博壁纸#向全世界安利王一博 # - 抖音
0
0
鸭嘴兽男孩之潮流嘻哈系列壁纸
0
0
小学生帅气照片头像大全
0
0
纯色壁纸分享 灰――蓝
0
0
萌系《西游记》
0
0
关西野战招募正式队员·野战队活动信息及公告·51黄金周会战关东军
0
0