八零图社
首页
最新
热门
排行
首页
最新
热门
排行
自然风光
动漫卡通
美食摄影
科技数码
人物写真
创意设计
壁纸背景
游戏原画
首页
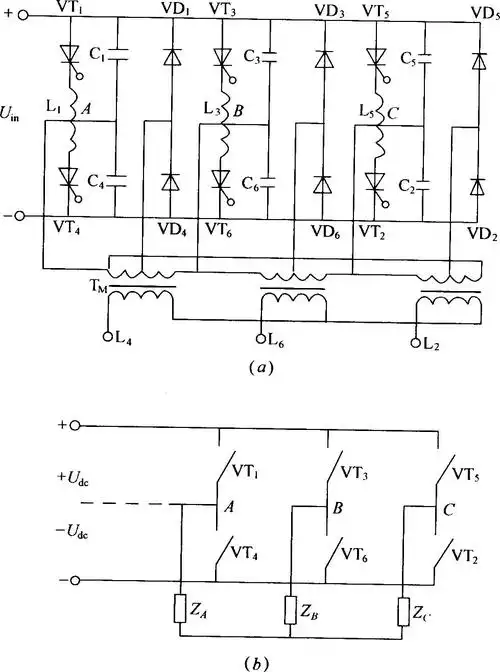
3v转220v逆变电路图
图片详情
12v转交流220v逆变器工作原理及diy制作
0
浏览
0
喜欢
615x378
尺寸
2026-03-13 08:49:54
上传
查看原图
下载图片
图片链接
缩略图
原图
外链
专题
3v转220v逆变电路图
相关图片
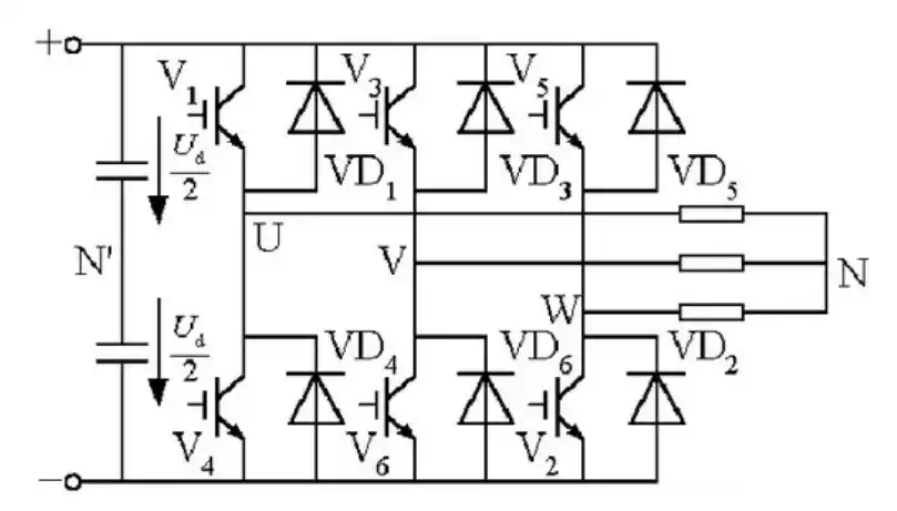
电压型三相逆变电路
0
0
逆变器电路23
0
0
3v如何控制220v电路
0
0
3v电路图-220v转3.3v芯片
0
0
一种简单实用的三极管逆变器电路图
0
0
逆变器电路15
0
0
12v转3v电路图
0
0
三相桥式逆变器电路图
0
0
本实用新型为控制精度高的三相逆变器,包括三相逆变电路和处理器,所述
0
0
12v直流电逆变220v交流电电路图
0
0
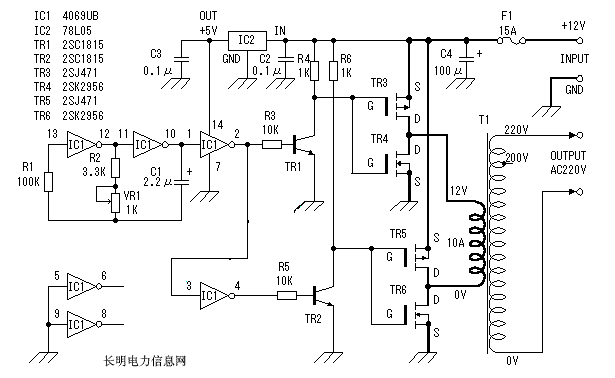
100w简易12v转220v逆变器电路图(含pcb图)
0
0
12v转220v的逆变器怎么做
0
0
随机推荐
爱该就像这样,眼神对视时如此深情并读懂对方
0
0
漂亮的花体字
0
0
让人自律的正能量哲理小金句最好看亲爱的早安个性图片
0
0
情侣头像一人一张猫咪 好看高清的可爱猫咪头像一人一张图片_情侣头像
0
0
黑色修身的连衣短裙搭配黑色丝袜非常显身材
0
0
卫星鸟瞰夜空中的城市
0
0
卡通人物二次元银杏落叶动漫卡通壁纸
0
0
黑暗,手,烟
0
0
劳力士金星期日志118238-0311 全黄金材质 - 抖音
0
0
离巢后拍广告赚钱,胡诺言奖品全送给陈琪,夫妻情深让人羡慕!
0
0
十二星座性格分析 #内容仅供参考 #陶白白 @抖音小助手 - 抖音
0
0
赖文慧今生只为刘德华伴舞,这是何等的人生啊
0
0