八零图社
首页
最新
热门
排行
首页
最新
热门
排行
自然风光
动漫卡通
美食摄影
科技数码
人物写真
创意设计
壁纸背景
游戏原画
首页
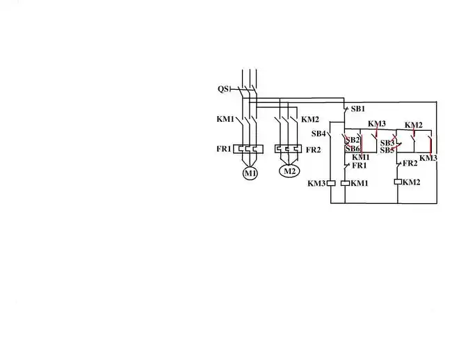
最简单的电工电路图
图片详情
电工培训八组《路漫漫其修远兮,吾将上下而求索》
0
浏览
0
喜欢
4608x3456
尺寸
2026-03-12 15:25:54
上传
查看原图
下载图片
图片链接
缩略图
原图
外链
专题
最简单的电工电路图
相关图片
电工实操考核中,最重要的7张电路图(行家收藏)
0
0
新人电工学经典电路,顺起逆停电路图,用最简单方式来学
0
0
电工考证,电力拖动电路图
0
0
电工常见电路图1
0
0
画出电路图
0
0
求电路图-有问必答-电工基础知识 - powered by discuz!
0
0
求:电工电路图
0
0
电工最常见电动机控制接线电路图
0
0
45张电工常用电动机控制电路图值得收藏
0
0
新手电工,看了图片想学习,不会接了,求大神帮助
0
0
电工实操考核中最经典的7张电路图全看懂的给你点个赞
0
0
电工实训项目教程09-2三相异步电动机的正反转控制线路ppt
0
0
随机推荐
肖战语录手写壁纸
0
0
经典国内外动画片歌曲盘点,80后集体回忆,音乐响起唤醒童年记忆
0
0
才是中国最美的房子!
0
0
激光祛除疤痕有什么手术效果
0
0
迷你世界9月有什么新皮肤
0
0
微信头像新版2020带字的图片大全点击鼠标右键下载
0
0
王志飞这位老戏骨与年轻的妻子已经迎来了一个可爱的女儿,一家三口过
0
0
茅台有几个系列酒品种(茅台酒品牌) - 生活 - 布条百科
0
0
台湾十大经典男歌手-台湾80年代的男歌手有哪些-台湾男老歌星有多少
0
0
头像,土著女人,湖,区域,肯尼亚
0
0
图哒哒哒
0
0