八零图社
首页
最新
热门
排行
首页
最新
热门
排行
自然风光
动漫卡通
美食摄影
科技数码
人物写真
创意设计
壁纸背景
游戏原画
首页
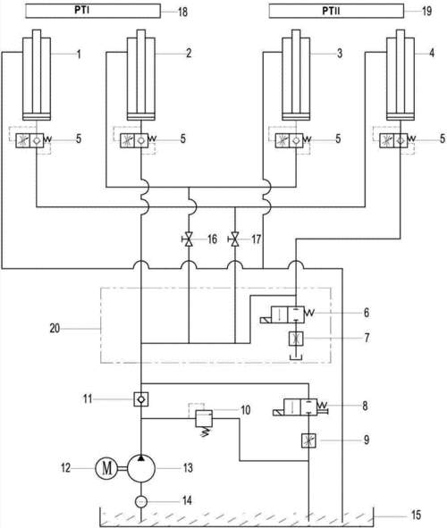
剪式举升机油路连接图
图片详情
自卸汽车液压举升系统故障的分析(bj374型)
0
浏览
0
喜欢
493x570
尺寸
2026-03-12 19:53:46
上传
查看原图
下载图片
图片链接
缩略图
原图
外链
专题
剪式举升机油路连接图
相关图片
大家帮我看看子母剪式举升机的液压原理!和气动原理!
0
0
百度爱采购首页 商品专题_举升机油路安装:1,按步骤二选好的地基摆好
0
0
小剪式举升机设计-剪叉式【全套含cad图纸】
0
0
剪切机液压系统油路故障原因.液压系统|液压缸|油泵电机
0
0
液压升降台设计剪叉式举升机幅面26001400mm起升最大重量3t起升最大
0
0
剪叉式升降机
0
0
大家帮我看看子母剪式举升机的液压原理!和气动原理!
0
0
高昌小剪举升机控制箱接线图
0
0
基于cadcae技术的剪刀式汽车举升机结构设计-双铰接 剪叉式【7张cad
0
0
子母剪式液压举升机问题!
0
0
一种剪式举升机软起油路控制装置制造方法及图纸
0
0
检修解放ca6110 型柴油机起动困难
0
0
随机推荐
岛民们对蔡徐坤and鞠婧祎的认识
0
0
简单卡通动漫头像女生可爱
0
0
儿童舞蹈摄影
0
0
乔丹高清壁纸
0
0
美女气质漂亮gif动图_动态图_表情包下载_soogif
0
0
小圆子吧~食材和做法都非常简单7215平常见到的红糖醪糟汤圆和
0
0
s36【魔鬼猫表情-感人】#动态 捂脸 哭 流泪 后悔 ip 动漫 魔性
0
0
王俊凯拍毕业照 永远在塔尖,宝贝95毕业快乐!学士帽是扔得 - 抖音
0
0
碧水蓝天广州大夫山
0
0
动漫情侣头像浅蓝色系清新高清主调淡蓝色的动漫情头图片
0
0
风靡世界的卡通形象hellokitty到今年已经40岁了,但是让人意想不到的
0
0
拉网拖网清塘捕鱼渔网绿色鱼网鱼塘隔围网防逃小型家用鱼苗网鱼
0
0