八零图社
首页
最新
热门
排行
首页
最新
热门
排行
自然风光
动漫卡通
美食摄影
科技数码
人物写真
创意设计
壁纸背景
游戏原画
首页
花海吉他谱
图片详情
周杰伦《花海》吉他谱_g调指法_带前奏六线谱_图
0
浏览
0
喜欢
1660x2533
尺寸
2026-03-13 03:36:40
上传
查看原图
下载图片
图片链接
缩略图
原图
外链
专题
花海吉他谱
相关图片
「花海」周杰伦「凡凡吉他编配」a调六线pdf谱吉他谱-虫虫吉他谱免费
0
0
花海吉他谱周杰伦指弹版独奏六线谱
0
0
花海吉他谱_周杰伦_g调指弹 - 吉他世界
0
0
花海吉他谱c调弹唱六线谱
0
0
周杰伦花海吉他谱g调超原版编配视频教学
0
0
花海吉他谱_周杰伦_g调吉他弹唱六线谱_亦生编配
0
0
周杰伦《花海》简单版吉他谱g调六线pdf谱吉他谱-虫虫吉他谱免费下载
0
0
花海吉他谱 周杰伦《花海》六线谱g调
0
0
花海吉他谱_周杰伦_g调弹唱
0
0
周杰伦花海吉他谱
0
0
花海吉他谱-周杰伦-变调夹1品格1
0
0
花海吉他谱周杰伦吉他弹唱简单谱
0
0
随机推荐
初中生夏季短袖t恤校服套装高中学生班服男女纯棉夏装蓝色学院风白色
0
0
肖战#xz#肖战真力时品牌代言人##肖战直播出图# 壁纸|帅且甜
0
0
bruceb5电脑包缝机r5电脑平缝机
0
0
抖音男生最帅头像单身高清简单干净
0
0
长安街天安门那些向着太阳的人
0
0
玉缘社区 玉缘阁玉雕厂 玉缘茶馆 创意设计作品追踪——太极龙凤呈祥
0
0
粉红兔子line系列透明底表情包
0
0
《西风的话》合唱版五线谱 花少不愁没颜色 我把树叶都染红 (线谱
0
0
漫画这条人鱼长得帅了不起啊他那是什么眼神啊
0
0
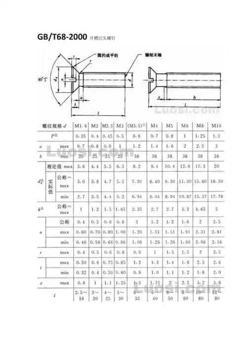
螺钉标准集锦
0
0
deforeal系列 综合系列 金刚:骷髅岛 骷髅蜥蜴
0
0