八零图社
首页
最新
热门
排行
首页
最新
热门
排行
自然风光
动漫卡通
美食摄影
科技数码
人物写真
创意设计
壁纸背景
游戏原画
首页
双电源自动切换电路图
图片详情
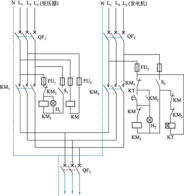
图8-20 双电源自动切换电路
0
浏览
0
喜欢
640x679
尺寸
2026-03-13 09:38:41
上传
查看原图
下载图片
图片链接
缩略图
原图
外链
专题
双电源自动切换电路图
相关图片
双路电源自动投切供电电路一
0
0
双电源自动切换电路的识读方法
0
0
双电源切换电路图
0
0
dataguard如何实现切换如何实现双电源自动切换老电工经验分享一看就
0
0
cn205123396u_一种变电站直流双电源自动切换装置失效
0
0
3种简易的双电源切换电路,2个接触器就可以,1个继电器也可以
0
0
用接触器实现双电源切换
0
0
双电源自动切换原理图
0
0
免费文档 所有分类 工程科技 电子/电路 双电源自动切换浮球控制污水
0
0
mos管应用双电源自动切换电路解析
0
0
交流接触器实现双电源自动转换 - 渴望和谐 - 渴望和谐
0
0
10kv双电源备自投自动切换装置以及方法
0
0
随机推荐
投资的本质长春高新暴跌下的思考
0
0
抛媚眼(熊猫人眨眼)_熊猫人_抛媚眼_眨眼表情
0
0
枪炮与玫瑰摇滚乐队复古怀旧牛皮纸海报酒吧琴行咖啡厅酒吧 随机10张
0
0
【家门口的万达广场摄影图片】生活摄影_红叶片片_太平洋电脑网摄影部
0
0
乐高钢铁侠第二弹5002946mark33
0
0
国画萱草
0
0
马克笔手绘带线稿可爱卡通人物
0
0
60想知道你的fpa性格色彩吗快来测一测
0
0
angelababy奔跑吧小香风造型
0
0
故宫最诡异的"鬼门",不允许接近,专家都无法解释
0
0
午后阳光咖啡唯美意境图片桌面壁纸
0
0
青木川
0
0