八零图社
首页
最新
热门
排行
首页
最新
热门
排行
自然风光
动漫卡通
美食摄影
科技数码
人物写真
创意设计
壁纸背景
游戏原画
首页
可爱壁纸 少女心 人物
图片详情
满满少女心的壁纸图片
0
浏览
0
喜欢
3840x2160
尺寸
2026-03-12 21:09:26
上传
查看原图
下载图片
图片链接
缩略图
原图
外链
专题
可爱壁纸 少女心 人物
相关图片
粉色少女心高清卡通电脑桌面壁纸
0
0
ins风可爱少女心油画质感手绘,艺术壁纸-回车桌面
0
0
超好看少女心壁纸
0
0
少女心 - 堆糖,美图壁纸兴趣社区
0
0
海贼王可爱乔巴,高清壁纸图片,动漫人物-回车桌面
0
0
hellokitty##三丽鸥##卡通壁纸##可爱壁纸
0
0
79粉红色少女心壁纸【败兮】
0
0
全屏手机壁纸萌萌少女心壁纸
0
0
少女心壁纸
0
0
卡通可爱少女心壁纸
0
0
壁纸|卡通动漫 美少女战士壁纸 可爱少女心
0
0
粉嫩少女心可爱卡通图片手机壁纸
0
0
随机推荐
欧美男生唯美搞怪黑白小清新头像
0
0
【面相解读】范丞丞的面相
0
0
蒙语是由哪些字符,字母,偏傍,部首元素按照什么语
0
0
6英寸设计本移动图形工作站笔记本电
0
0
《邵阳夜空我的梦》吴佩涵 5岁
0
0
2014年5月份,张宏民告别《新闻联播》正式退居幕后,到央视播音主持
0
0
怎么做莲花座聚宝盆折纸
0
0
孔令辉新女友曝光全身名牌住千万豪宅图
0
0
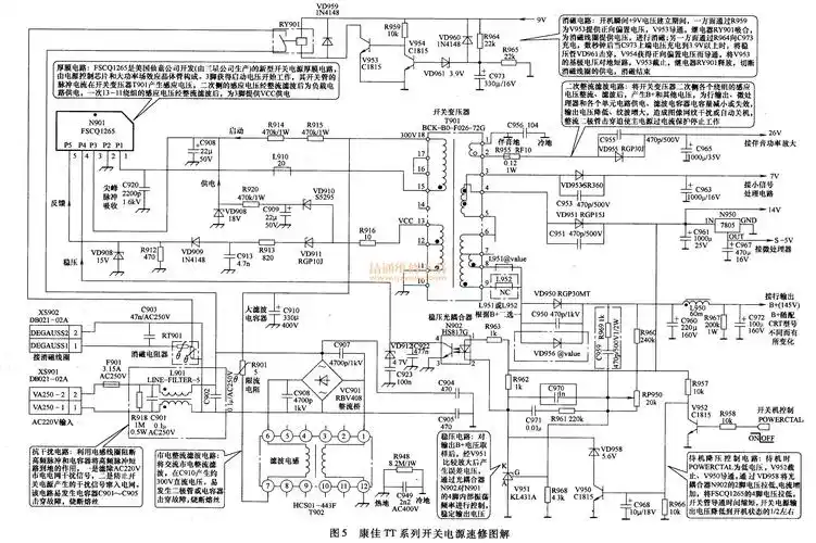
康佳tt系列开关电源速修图解
0
0
奔达·灰石/拿破仑250新奇登场,设计满分价格略高_摩托车论坛_太平洋
0
0
黑石泥黑色火山泥diy原材料深海石泥粉五大连池黑色火山泥
0
0