八零图社
首页
最新
热门
排行
首页
最新
热门
排行
自然风光
动漫卡通
美食摄影
科技数码
人物写真
创意设计
壁纸背景
游戏原画
首页
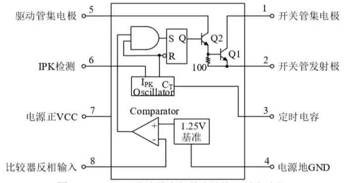
mc34063降压电路图
图片详情
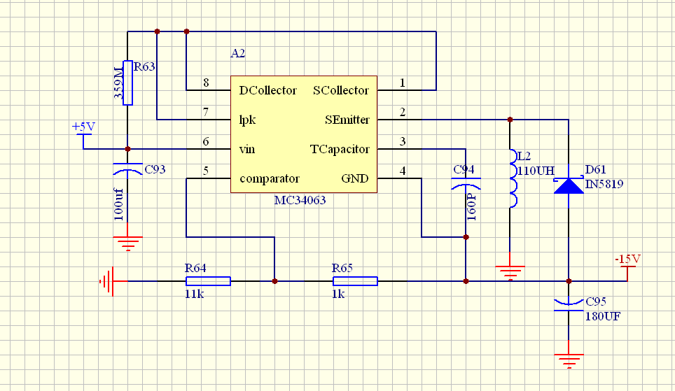
按照下图设计的mc34063反转电路,但是输出只有-6v,达不到要求的-15v是
0
浏览
0
喜欢
964x559
尺寸
2026-03-13 09:13:10
上传
查看原图
下载图片
图片链接
缩略图
原图
外链
专题
mc34063降压电路图
相关图片
mc34063降压电路发热烧坏,求助吖!
0
0
mc34063降压电路
0
0
mc34063的降压电路请大神指教!
0
0
麻烦电子技术高手帮我解决一个34063降压电路问题
0
0
34063升压电路的调节问题?
0
0
关于mc34063升压电路带负载问题!
0
0
求问用mc34063做个7v~20v升压电路,完全按照数据手册的电路连接的
0
0
电路图
0
0
请问各位,用34063做5v输出稳压,为什么输出不能稳5v
0
0
升压电路
0
0
mc34063稳压 ,降压电路输入24v,输出5v,电路图发给我邮箱,谢谢.
0
0
mc34063应用升压电路
0
0
随机推荐
小臂牡丹纹身图案
0
0
壁纸 已经 电脑壁纸 风影 横屏 高清 黑白 设计 艺术
0
0
郑智化19910901年青时代飞碟唱片
0
0
【王心凌】《cyndiloves2sing爱心凌巡回演唱会》高雄巨蛋精彩片段
0
0
戏水的小朋友
0
0
珍惜粮食绘画手抄报素材
0
0
七匹狼香烟1995硬价格_东方养生频道_东方养生
0
0
女主持人,嫁入豪门成女强人,和丈夫恩爱多年|央视|杨澜|吴征_新浪新闻
0
0
绿色象征生机勃勃的句子绿色壁纸2022已更新今日更新
0
0
刀雄油头推剪理发器电推剪美发工具套装雕刻增白渐变美发剪刀专用高端
0
0
两只老虎简谱乐谱
0
0
儿童创意线描画##儿童线描画
0
0