八零图社
首页
最新
热门
排行
首页
最新
热门
排行
自然风光
动漫卡通
美食摄影
科技数码
人物写真
创意设计
壁纸背景
游戏原画
首页
二维工程图
图片详情
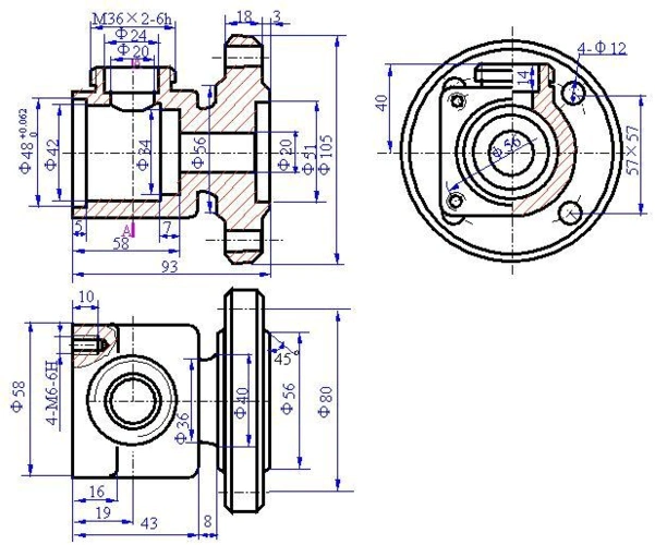
按照下图绘制一幅二维工程图
0
浏览
0
喜欢
618x514
尺寸
2026-03-13 21:42:00
上传
查看原图
下载图片
图片链接
缩略图
原图
外链
专题
二维工程图
相关图片
solidworks,caxa 3d实体设计,中望3d等进行三维模型与二维工程图设计
0
0
二维cad工程师机械设计考试试卷a
0
0
根据轴测图绘制二维图图例100例
0
0
实验三soldworks2010创建二维工程图实验指导书
0
0
cad二维最常见的50个平面图形练习答案
0
0
河南省第13届高教杯成图大赛-尺规图-caxa二维工程图 03箱体零件
0
0
类似cad出图纸一样,solidworks工程图以二维图为主展示零部件的尺寸和
0
0
二维cad工程师考试试题(机械设计)答案
0
0
201410二维cad工程师机械设计考试a卷
0
0
二维cad工程师(机械设计)考试试卷a答案
0
0
autocad二维绘图练习题
0
0
ug,cad工程制图练习图.pdf
0
0
随机推荐
tnt时代少年团 的简介,除了他们的个人图画外,都是我自己做的!
0
0
u-garden银杏树阵参照paley park的设计手法,谨慎地使用跌水,树阵广场
0
0
创造营2021所有成员名单
0
0
《新神榜:哪吒重生》中除了经典的神话原型人物,动画中还加入一些新
0
0
酷 社会文字
0
0
篮球运动##体育明星
0
0
来一期手绘小熊壁纸
0
0
世界十大奇异树木什么奇形怪状都有今天总算长见识了
0
0
[二手9成新] 民法总则:条文背后的故事与难题 杨立新 著
0
0
防弹少年团表情包
0
0
张柏芝的第三胎孩子生父是谁,已不重要了
0
0
港味复古风头像
0
0