八零图社
首页
最新
热门
排行
首页
最新
热门
排行
自然风光
动漫卡通
美食摄影
科技数码
人物写真
创意设计
壁纸背景
游戏原画
首页
建党100周年宣传图
图片详情
迎接建党100周年图片
0
浏览
0
喜欢
5120x2880
尺寸
2026-03-12 02:55:02
上传
查看原图
下载图片
图片链接
缩略图
原图
外链
专题
建党100周年宣传图
相关图片
建党节100周年喜庆宣传海报psd素材
0
0
建党100周年大气红色动态海报
0
0
建党百年峥嵘岁月海报设计psd素材 庆祝建党节100周年宣传
0
0
永远跟党走建党100周年海报设计psd素材
0
0
百年华诞建党100周年宣传海报psd素材
0
0
永远跟党走建党100周年海报设计psd模板
0
0
简约风格建党100周年海报设计psd素材
0
0
盛世华诞建党100周年海报设计psd素材
0
0
奋斗百年正芳华建党100周年海报psd素材
0
0
建党100周年庆祝海报
0
0
创意建党100周年海报设计psd素材
0
0
建党100周年创意宣传海报设计psd素材
0
0
随机推荐
可爱12生肖卡通图
0
0
今日头像|迪士尼公主女生头像.
0
0
女演员马苏:从多管闲事到实力派演员,时尚她的成长之路_观众_事业
0
0
复仇者联盟绿巨人壁纸来啦,浩克出击~# - 抖音
0
0
送个平安祝福庆祝疫情远离
0
0
回顾:春晚七大笑星徒弟现状大不同,有人车祸后失忆有人英年早逝
0
0
姜子牙~一战封神 我们在电影院等着你
0
0
萨摩耶.#萨摩耶 #高清图片 #萌到爆炸了99 #狗狗治愈系 - 抖音
0
0
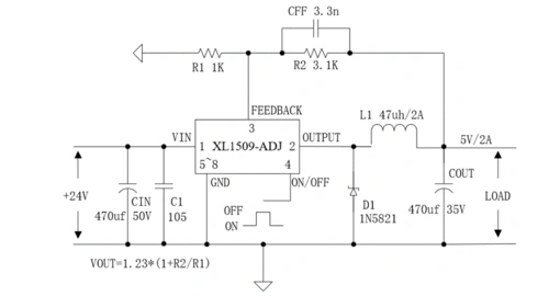
xl1509-5.0e1广告机稳压芯片
0
0
李少鑫楷书书法 五言绝句
0
0
粉色系ins风背景图
0
0
这是赌王何鸿燊与香港演员利智在舞厅翩翩起舞的照片!
0
0