八零图社
首页
最新
热门
排行
首页
最新
热门
排行
自然风光
动漫卡通
美食摄影
科技数码
人物写真
创意设计
壁纸背景
游戏原画
首页
74HC194
图片详情
tc74hc4040af,tc74hc4040af pdf中文资料,tc74hc4040af引脚图,tc74hc
0
浏览
0
喜欢
826x1169
尺寸
2026-03-13 03:33:30
上传
查看原图
下载图片
图片链接
缩略图
原图
外链
专题
74HC194
相关图片
文档下载 所有分类 工程科技 信息与通信 > 74系列数字芯片(3)74hc194
0
0
分析图6-16所示的由4位双向移位寄存器74hc194构成电路的功能,列出
0
0
74hc1944位双向移位寄存器介绍
0
0
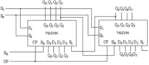
试用两片74hc194构成8位双向移位寄存器.
0
0
74hc1944位双向移位寄存器介绍
0
0
74hc1944位双向移位寄存器介绍
0
0
cd74hc194 datasheet(2/8 pages) ti | high-speed cmos logic 4-bit
0
0
74hc194
0
0
五一电子商品说明:《74hc14 》
0
0
74hct194d数据表pdf3pagenxpsemiconductors
0
0
cd74hc194 datasheet(16/19 pages) ti | high-speed cmos logic 4
0
0
verilog74hc194多功能双向移位寄存器
0
0
随机推荐
北京是我们的首都,这是我们向往的地方.
0
0
缅甸假八面体粉色蓝宝石
0
0
dont lose control #肌肉女 #肌肉腿 # - 抖音
0
0
黑白画
0
0
在线拼接图片制作拼图软件合成照片的步骤
0
0
圣士康一次性医用外科口罩灭菌级挂耳防尘隔菌 2000只/箱 10箱起售
0
0
0英文苹果无线蓝牙耳机说明书 1/2/3代蓝牙耳机说明书
0
0
这件纯羊绒衫女打底衫太美啦!
0
0
花斑癣汗斑快用这个
0
0
迷宫4难度简单
0
0
【tf家族三代|苏新皓朱志鑫】圣诞节变脸全过程
0
0
门牌设计图__公共标识标志_标志图标_设计图库_昵图网nipic.com
0
0