八零图社
首页
最新
热门
排行
首页
最新
热门
排行
自然风光
动漫卡通
美食摄影
科技数码
人物写真
创意设计
壁纸背景
游戏原画
首页
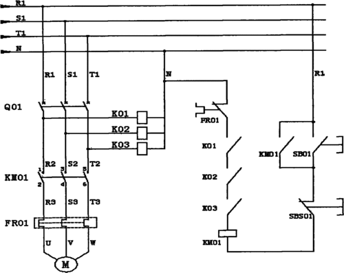
缺相保护器的接线图
图片详情
cn101888084a_电机缺相保护器失效
0
浏览
0
喜欢
1569x1247
尺寸
2026-03-12 13:44:49
上传
查看原图
下载图片
图片链接
缩略图
原图
外链
专题
缺相保护器的接线图
相关图片
电工知识:三相电机缺相保护电路,接线步骤一一讲解
0
0
液晶显示三相电源过压欠压缺相错相断相保护器电梯相序保护继电器
0
0
综合保护器运行时显示断相,二次启动刚闭合就断开了,实测三相并无缺相
0
0
电机缺相保护电路
0
0
断相与相序保护继电器的接线方法图解
0
0
220v断相保护器的接法220v接触器
0
0
电动机保护器接线图
0
0
380v电压下接一个交流接触器十缺相保护器下面接5.5电机怎么接线
0
0
现货供应 jd-8三相380v综合电动机过载保护器断相缺相电机保护器
0
0
德力西电机综合保护器jd-5三相电380v电动机过载过流缺相断相保护
0
0
相序保护器接线图
0
0
1空开十电机保护器十交流接触器十热継电器十电机的实物接线图以及
0
0
随机推荐
1930~1940年代银盐照片-- 民国上海黄浦江上工部局舢板,海关大楼正在
0
0
唐三小舞结婚图片
0
0
动感电影胶卷图片
0
0
ktv闪光灯家用爆闪七彩灯摇滚夜店室内激光灯舞台灯宿舍蹦迪彩灯
0
0
贵州省毕节市黔西县水西街道722县道_晏老分享_天气时景_预报查询
0
0
检查让自我感觉良好的我傻了眼,yd口未闭合,膀胱轻度膨出,盆底肌张力
0
0
遇到渣男有多么的可怕,黄奕差点就被打得再也站不起来
0
0
有什么好看的高清高达壁纸
0
0
秋天是丰收的季节五谷成熟瓜果飘香在众多的果树中我比较喜欢石榴它的
0
0
上海无偿领养金棕色卷毛泰迪狗狗
0
0
佟丽娅明星壁纸33
0
0
迦尔纳
0
0