八零图社
首页
最新
热门
排行
首页
最新
热门
排行
自然风光
动漫卡通
美食摄影
科技数码
人物写真
创意设计
壁纸背景
游戏原画
首页
常见控制电路图
图片详情
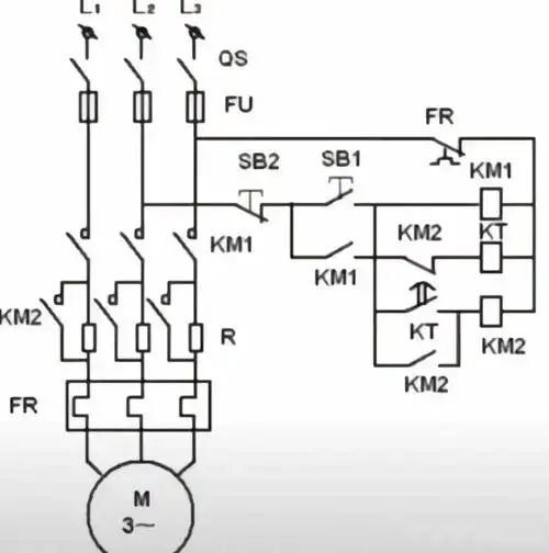
分享一个控制电路图#如何看懂电路图 @永明电工plc自动化
0
浏览
0
喜欢
1600x3008
尺寸
2026-03-12 15:16:08
上传
查看原图
下载图片
图片链接
缩略图
原图
外链
专题
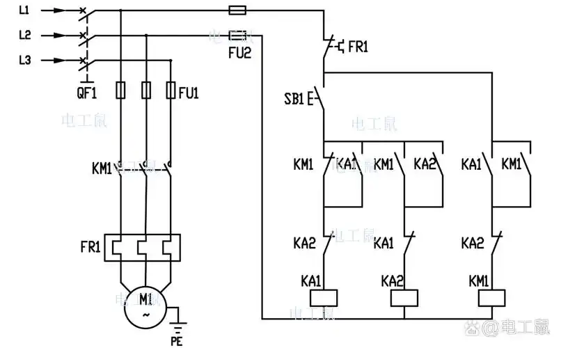
常见控制电路图
相关图片
变频器控制图 工变频接线图 一拖一/二/三/四 配电柜电路图纸
0
0
但是在电气控制电路里面,算是比较经典的一个案例,和星三角降压启动是
0
0
电工控制线路中的自锁,互锁与联锁详解
0
0
单向控制电路
0
0
基本电气控制电路.必须掌握的电气电路,这个在工业,农业,交通
0
0
电工电路 这个电路的功能是供水上常用的,泵和电磁阀的控制都有两种
0
0
这个电路用的少,为什么还要学 这个电路的功能是一键启停,这个电路在
0
0
电工掌握电路图与程序图转换的关键技能:一个按钮控制电机启停
0
0
电机正反转控制电路是一种常见的电气工程设计
0
0
28例电气自动控制电路图,实用电路图集合!
0
0
自锁控制电路的原理是什么?
0
0
电路图分享一下@学plc自动化找明礼老师 #电工#plc#电
0
0
随机推荐
宫崎骏《哈尔的移动城堡》唯美高清桌面壁纸_卡通动漫_壁纸下载_美桌
0
0
她是邓超前女友,分手后曾患抑郁,甘愿与李光洁裸婚却遭背叛!
0
0
120例裤子设计的电脑款式图合集
0
0
王者荣耀夏洛特浮生妄海报高清图片壁纸
0
0
资料图片:任贤齐范冰冰《合约情人》定装照(26)
0
0
中国第一巨人鲍喜顺12年前不听医生劝阻执意生子如今一家怎样
0
0
1991 k-100 郑伊健 陈松伶 《月儿弯弯照九州》 宣传
0
0
新手就能画的简单图案插画,一起画起来吧.绘画过程分享#教程 - 抖音
0
0
q版头像十二生肖
0
0
求高手p图,只要背景,去除文字和背景上的图片.
0
0
可爱- 堆糖,美图壁纸兴趣社区
0
0
泰山旅游
0
0