八零图社
首页
最新
热门
排行
首页
最新
热门
排行
自然风光
动漫卡通
美食摄影
科技数码
人物写真
创意设计
壁纸背景
游戏原画
首页
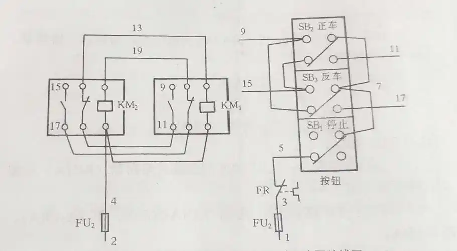
双门互锁接线图
图片详情
9张图带你学习电机正反转电路双重互锁是什么意思
0
浏览
0
喜欢
640x472
尺寸
2026-03-13 21:02:37
上传
查看原图
下载图片
图片链接
缩略图
原图
外链
专题
双门互锁接线图
相关图片
两个电动机互锁的电路图.要求电动机m1启动时m2停止,m2启动时m1停止.
0
0
如何实现双门互锁
0
0
三相异步电动机的双重互锁控制电路接线图
0
0
三相异步电动机双重联锁正反转控制线路课件ppt
0
0
纽贝尔ab门互锁方案设备连接
0
0
互锁实际接线图
0
0
双重联锁正反转控制线路实物接线图
0
0
电动机双重联锁正反转控制线路的工作原理和试验方法步骤
0
0
电动机正转点动加连续 反转连续机械互锁电路图
0
0
电机正反转接触器互锁电路图
0
0
电工知识双互锁控制电机正反转接线按钮互锁接触器互锁加自锁
0
0
12电工(继电器接触器控制)
0
0
随机推荐
吃鸡麦克狙击手头像
0
0
景甜游泳旧照曝光,穿蓝色泳衣气质甜美,网友:"人如其名"_时尚_状态
0
0
手拿红旗敬礼的红军小战士插画
0
0
中国好声音魏语诺发声 《离得开你》狂热来袭
0
0
新时代杰出艺术家——张卫星茶壶禅意国画|书画|国画|张卫星|画坛
0
0
奔跑吧路透女嘉宾的民国造型也太可了吧?
0
0
音乐会邀请广告背景
0
0
周瑜的一生有什么事迹呢?他是少年英雄,在三国中名气很大!
0
0
在北方很少见到的苏式小园林
0
0
一天一练_像素画
0
0
我们是中国少年先锋队队员,与国旗同框——祖国,我们爱您!
0
0
女人口红几乎人手一支,但你知道吗?不建议上年纪的女人涂口红
0
0