八零图社
首页
最新
热门
排行
首页
最新
热门
排行
自然风光
动漫卡通
美食摄影
科技数码
人物写真
创意设计
壁纸背景
游戏原画
首页
户外旗袍照片怎么拍
图片详情
旗袍秀户外写真集_1
0
浏览
0
喜欢
3011x2000
尺寸
2026-03-13 16:04:56
上传
查看原图
下载图片
图片链接
缩略图
原图
外链
专题
户外旗袍照片怎么拍
相关图片
拍摄铅山明清古镇#温婉书卷气旗袍有多绝 #户外拍摄 #摄影约 - 抖音
0
0
周末外拍3(穿旗袍的美女)
0
0
旗袍 #新中式国风 #人像摄影 #户外拍摄 #旗袍韵 - 抖音
0
0
旗袍秀户外写真集_1
0
0
周末外拍3(穿旗袍的美女)
0
0
旗袍· 安然静谧
0
0
又见旗袍一旗袍户外活动
0
0
《旗袍之美》慧紫文化户外公益活动
0
0
当遇见旗袍时
0
0
小蛮腰美女高开叉旗袍户外
0
0
标题:一组旗袍外景
0
0
周末外拍3(穿旗袍的美女)
0
0
随机推荐
头像|微信头像|中年少女 这一组看起来大概多大年龄?
0
0
网红小姐姐头像高颜值 时尚气质 让人心动的感觉_女生头像_头像屋
0
0
精灵宝可梦日月小智错过了神兽盖欧卡水莲的动作是亮点
0
0
蟋蟀鉴赏:红牙黄
0
0
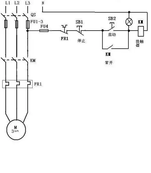
自锁电路
0
0
阿云嘎郑云龙献唱《深夜食堂》嗓音像我记忆中,小时候突然停电时,那支
0
0
如果不想太惹人眼目,可以降低黄色的明度,用咖啡色来搭配紫色绿色也
0
0
樱花动漫唯美二次元少女
0
0
成毅正能量语录各位留几句话也行
0
0
第五人格 红夫人 lofter 画师 透明叶某人
0
0
ami
0
0
背景图丨可爱风微信聊天背景图
0
0