八零图社
首页
最新
热门
排行
首页
最新
热门
排行
自然风光
动漫卡通
美食摄影
科技数码
人物写真
创意设计
壁纸背景
游戏原画
首页
丰台王佐镇地铁规划
图片详情
地铁新机场线一期全线轨通!草桥到新机场只需19分钟
0
浏览
0
喜欢
1080x1871
尺寸
2026-03-14 09:10:36
上传
查看原图
下载图片
图片链接
缩略图
原图
外链
专题
丰台王佐镇地铁规划
相关图片
太好了王佐将建中关村丰台园丰台这条地铁线如何设站快来投票
0
0
猛料网传最新轨道交通规划曝光丰台未来地铁多达7条
0
0
未来三年,丰台或将开通这些地铁线路,哪条是你最期待的?
0
0
北起丰台将建世界上最长地铁!居民未来出行将更方便
0
0
猛料网传最新轨道交通规划曝光丰台未来地铁多达7条
0
0
最新规划丰台这里将诞生北京首个五线换乘地铁站
0
0
丰台这条在建轨道线路上的加站即将启动施工建设还有多条道路的最新
0
0
p>王佐镇心村位于长辛店以西,由东,西王佐, a target="_blank" href=
0
0
最新动态:涉及多条地铁,丰台发布最新轨道交通规划!_腾讯新闻
0
0
世界地热博览园 6.南宫迎宾路 7.南宫迎宾路南站 8.地铁篱笆房站
0
0
丰台未来三年待开通6条地铁线路您最期待哪一条
0
0
关于s6线北京市郊铁路s6线,又名北京地铁21号线.
0
0
随机推荐
随手画初代8只数码宝贝
0
0
迪士尼公主系列~贝儿公主
0
0
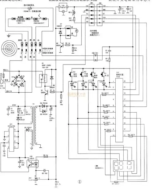
心好智能a5型茶艺电水壶不通电故障维修
0
0
少年简谱-梦然歌曲-桃里醉春风曲谱-琴艺谱
0
0
烤动全城主题烧烤
0
0
近日,叶知秋的微博沸腾了,叶老师竟深夜发福利,性感
0
0
家家我们之间越走越远
0
0
十二生肖的代号 十二生肖的代号和别称
0
0
美国特种部队单兵装备 - 实验室设备网
0
0
天气冷了胃不舒服的看过来
0
0
奔跑的3d小人矢量
0
0
踢蛋卡通搞笑猥琐gif动图_动态图_表情包下载_soogif
0
0