八零图社
首页
最新
热门
排行
首页
最新
热门
排行
自然风光
动漫卡通
美食摄影
科技数码
人物写真
创意设计
壁纸背景
游戏原画
首页
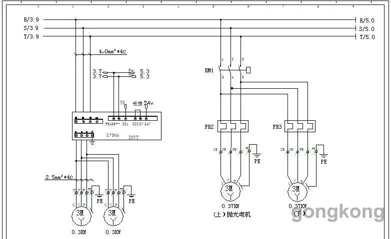
铆钉机接电线路图
图片详情
三相到顺开关怎么接单相电机的接法有图最好
0
浏览
0
喜欢
734x575
尺寸
2026-03-13 10:27:24
上传
查看原图
下载图片
图片链接
缩略图
原图
外链
专题
铆钉机接电线路图
相关图片
(采用工频交流电供电) 对于控制电路考证了美国"工匠"牌电动钉枪机的
0
0
钉箱机送料机械手
0
0
技术支持-攻牙机|铆钉机|铆接机|气动攻牙机|刀具
0
0
高压电缆输电线路异频参数测试仪
0
0
专利 广州东振机电设备有限公司 专利详情申请公布号 cn206848753u
0
0
英威腾在全自动封边机方案说明
0
0
首页 供货 设备 铆钉机 简易变频器 小型变频驱动器 变频调速器
0
0
风机 鼓风机电源接法 380v/220v接电图示
0
0
台式气动旋铆机 通用型铆钉机 pxr16
0
0
诚信出售货车刹车片铆钉机立式铆钉机 电动液压蹄片刹车片铆接机
0
0
【】电动液压铆钉机 两相电三相电 白铁风管角铁法兰铆接机
0
0
电动液压铆钉机 风管角铁法兰液压铆钉机单头液压铆钉机
0
0
随机推荐
80年代节奏带感的粤语劲歌,重温那段回不去的岁月_香港
0
0
一米二单人床1米1.2米小户型箱体床简约现代家用成人收纳储物小床
0
0
芭比迪丽拉
0
0
高冷黑色系壁纸灰色系壁纸
0
0
恶心头像,恶心头像搞笑图片
0
0
叽0123生快
0
0
cdc成都集团2020cypher翻唱
0
0
男士中分三七分发型男生韩式减龄款气垫烫
0
0
藿香
0
0
额头附近形成脱发状况的原因
0
0
王源卡通形象crlogo
0
0
学院2018年大学生征兵体检工作顺利开展
0
0