八零图社
首页
最新
热门
排行
首页
最新
热门
排行
自然风光
动漫卡通
美食摄影
科技数码
人物写真
创意设计
壁纸背景
游戏原画
首页
胸好大更大少女
图片详情
性感教师,酷爱健身运动,因胸太大被辞退,转战模特界g罩杯爆红
0
浏览
0
喜欢
660x824
尺寸
2026-03-12 10:04:41
上传
查看原图
下载图片
图片链接
缩略图
原图
外链
专题
胸好大更大少女
相关图片
泰国大胸美少女arisara karbdecho乳量惊人-双乳停靠桌子
0
0
胸大是一个什么样的体验?
0
0
胸太大怎么办真人
0
0
话题女生胸太大是种什么体验
0
0
大婶味和少女感区别太大了!大胸想要摆脱"油腻感",只要穿衣 - 抖音
0
0
大胸美女棒糖妹arisara karbdecho最新写真图片
0
0
有些女孩把胸大做心理负担,细数大胸的某些烦恼
0
0
> 日本90后女星胸器逼人
0
0
女朋友的胸部太过丰满是种什么样的体验
0
0
天生我胸必有型论女人傲视群雄的胸围的美丽性感重要性
0
0
韩国巨胸妹走红身材比例夸张上围傲人
0
0
胸大的女生都有一些什么烦恼呢
0
0
随机推荐
赣县一百多号交警出动,在干什么?_手势
0
0
60出闲置美的电风扇九成新京东官店购入
0
0
锻炼臀中肌的好处&6大动作介绍【全图解】
0
0
奥运主题马克笔绘画
0
0
芒种简谱
0
0
"人大校花"康逸琨晒新照
0
0
梁丽在老版《水浒传》中饰演孙二娘,她的美泼辣大气
0
0
一往无前的意思
0
0
(七年级)感恩父母,从点滴做起!一二二学子在行动
0
0
费丹旭竹荫仕女镜片
0
0
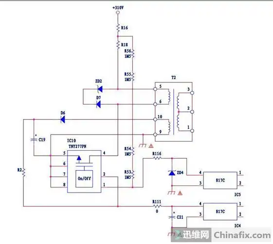
紫线15v怎么办呢tny277pn
0
0
王者守约凯爹玄策
0
0