八零图社
首页
最新
热门
排行
首页
最新
热门
排行
自然风光
动漫卡通
美食摄影
科技数码
人物写真
创意设计
壁纸背景
游戏原画
首页
2欧元硬币收藏价值
图片详情
简介请看之前的硬币#2欧元
0
浏览
0
喜欢
1080x1080
尺寸
2026-03-13 00:14:53
上传
查看原图
下载图片
图片链接
缩略图
原图
外链
专题
2欧元硬币收藏价值
相关图片
20202欧元纪念币四
0
0
2欧元伊拉斯谟主题币立陶宛
0
0
有人收藏2欧?#欧元硬币 - 抖音
0
0
2欧元 西班牙 2023 卡塞雷斯
0
0
欧元硬币收藏
0
0
两只飞越芬兰的天鹅2欧元:云莓的果实和叶片2欧元硬币边缘设计:刻有
0
0
2欧元纪念币~2022城国
0
0
摩纳哥2001年2欧元硬币
0
0
收集2欧元硬币
0
0
2欧元 安道尔 关爱老人
0
0
2欧元,硬币
0
0
2欧元2021年希腊
0
0
随机推荐
张蕾老公王吉财 铁矿大亨的背景成议论焦点
0
0
1,眼白黄 眼白的细胞与胆红素结合性好,因此肝脏损伤通常出现黄疸
0
0
渝去年3280名老赖被拘留以拒执罪移送89人
0
0
苏明玉,你的腿那么长可以也给室妞变一双吗?
0
0
beyond歌唱和平与爱的四首作品:音乐的终极意义是全人
0
0
时代少年团丁程鑫帅气图片
0
0
高速上开车不能开内循环有多少人还在犯傻赶紧看看
0
0
iphonex r xs max iphone11壁纸 锁屏壁纸 全面屏壁纸 卡通 星空 风景
0
0
《好声音》学员张赫宣晒近照,硬汉变小鲜肉,五官精致撞脸乔任梁_比赛
0
0
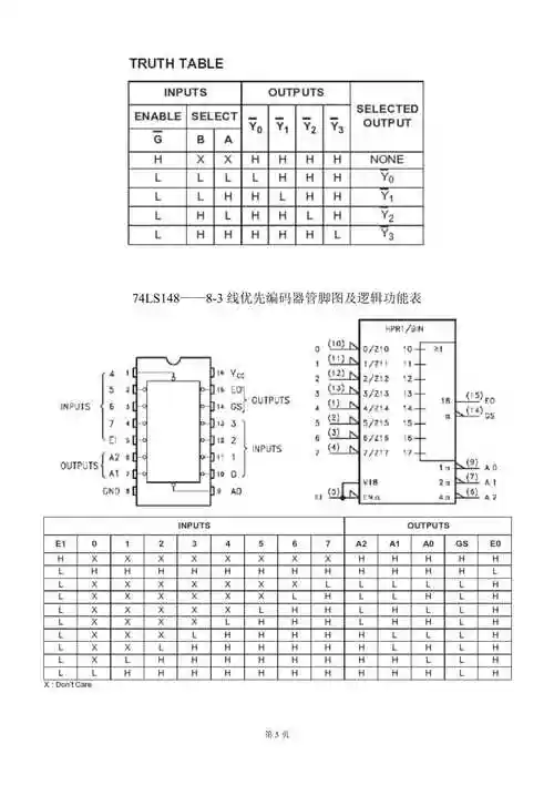
74系列芯片引脚图及逻辑功能表doc
0
0
成熟女性魅力高级感照片-528时尚网
0
0
xxx医院髌骨骨折医嘱单范本
0
0