八零图社
首页
最新
热门
排行
首页
最新
热门
排行
自然风光
动漫卡通
美食摄影
科技数码
人物写真
创意设计
壁纸背景
游戏原画
首页
简单电路图入门
图片详情
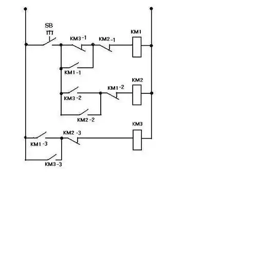
根据下列实物电路画出相应的电路图
0
浏览
0
喜欢
2368x4208
尺寸
2026-03-12 15:27:07
上传
查看原图
下载图片
图片链接
缩略图
原图
外链
专题
简单电路图入门
相关图片
物理电路知识 画电路图
0
0
如上图,所展示的是一个简单的实物电路,改电路由电池(电源),开关,导线
0
0
设计简单电路的课件ppt
0
0
双庆中学电路图复习专题答案ppt
0
0
这个图的电路图怎么画啊
0
0
双庆中学电路图复习专题答案ppt
0
0
一个按钮控制电动机启停电路图
0
0
3相电机正反转控制接线图_电工基础知识_电工技术-电工最常见电路
0
0
注册表怎么打开win10打开注册表编辑器的方法
0
0
电工,电气,电路图,电学.
0
0
由一个电池,两个小灯泡,一个开关组成的简单电路图怎么画
0
0
接触器自锁电路图怎么看?只需分清2个回路,初学电工入门真简单
0
0
随机推荐
白花绿叶唯美小清新摄影高清壁纸
0
0
个性动漫男生头像霸气高冷帅气动漫男头高清微信图片大全
0
0
汉服古风美女手拿小扇写真壁纸
0
0
400_200gif 动态图 动图
0
0
2020年广州车展美女车模高清图集
0
0
34款创意满满的店面招牌,门头创意设计集锦_朴琢_功能_视觉
0
0
粉色可爱少女粉清新甜点图片电脑桌面壁纸
0
0
三和手摇自动喷漆劳尔ral6002 叶绿色金属防锈漆绿色修补改色油漆 ral
0
0
给大家分享沙雕情侣头像更新817
0
0
别傻了自律真的不自由
0
0
倪妮照片_倪妮_倪大红倪妮
0
0
品牌女装代理加盟价格夏装新款女装校园中老年女装秋装新款外套
0
0